专利数据库
统计分析
产业报告
专利数据监控
产业人才
行业动态
产业政策法规
维权援助
个人中心
详情
文本
图像
标题
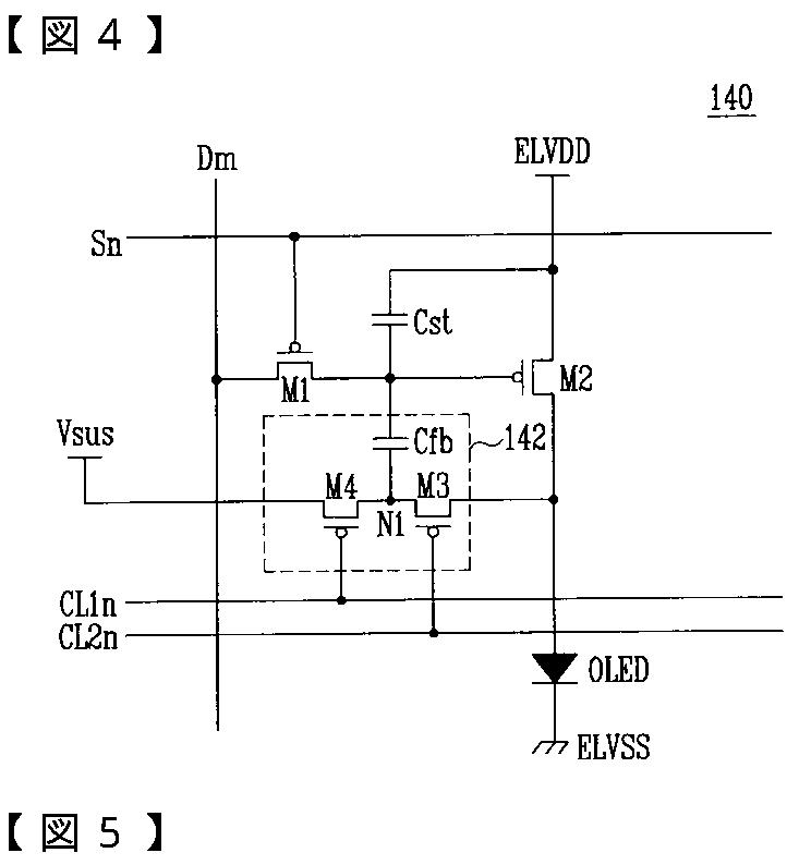
画素、有機電界発光表示装置、および有機電界発光表示装置の駆動方法
授权日
2011-12-16
公开(公告)号
JP4887203B2
申请日
2007-04-23
公开(公告)日
2012-02-29
当前申请(专利权)人
三星モバイルディスプレイ株式會社
发明人
崔 相武 | 李 王棗
简单同族
EP1923857A2 | EP1923857A3 | EP1923857B1 | JP2008122906A | JP4887203B2 | TW200822043A | TWI376666B | US20080111804A1 | US8054258
简单同族成员数量
9
简单同族被引用专利总数
102
诉讼案件数
0
法律状态/事件
授权 | 权利转移
抱歉,您的浏览器不支持PDF预览,请点击链接下载PDF文件