专利数据库
统计分析
产业报告
专利数据监控
产业人才
行业动态
产业政策法规
维权援助
个人中心
详情
文本
图像
标题
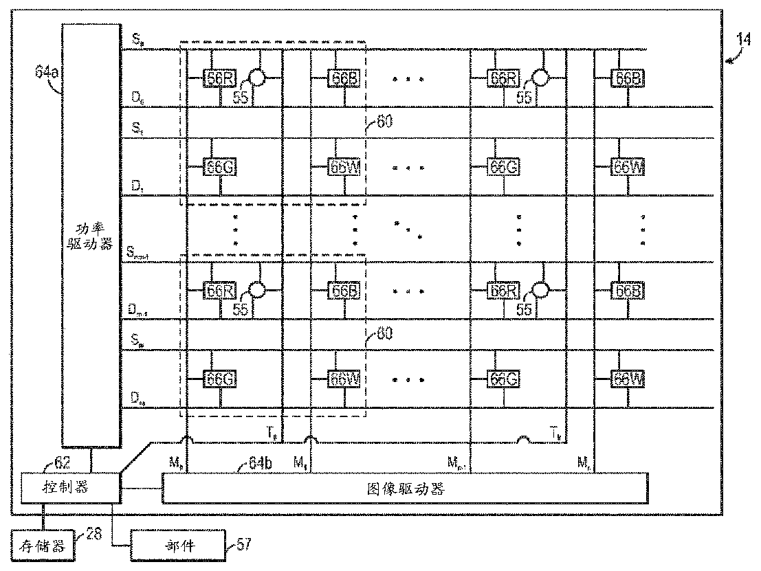
具有集成的热传感器的显示器
授权日
2016-10-12
公开(公告)号
CN104350536B
申请日
2013-05-23
公开(公告)日
2016-10-12
当前申请(专利权)人
苹果公司
发明人
S·B·林奇 | P·S·德扎伊克 | B·M·拉波波特 | F·R·罗斯科普夫 | J·P·特恩斯 | S·A·迈尔斯
简单同族
CN104350536A | CN104350536B | EP2842120A1 | EP3474264A1 | TW201411589A | TWI486935B | US20130321361A1 | US9177503 | WO2013181070A1
简单同族成员数量
9
简单同族被引用专利总数
50
诉讼案件数
0
法律状态/事件
授权
抱歉,您的浏览器不支持PDF预览,请点击链接下载PDF文件