专利数据库
统计分析
产业报告
专利数据监控
产业人才
行业动态
产业政策法规
维权援助
个人中心
详情
文本
图像
标题
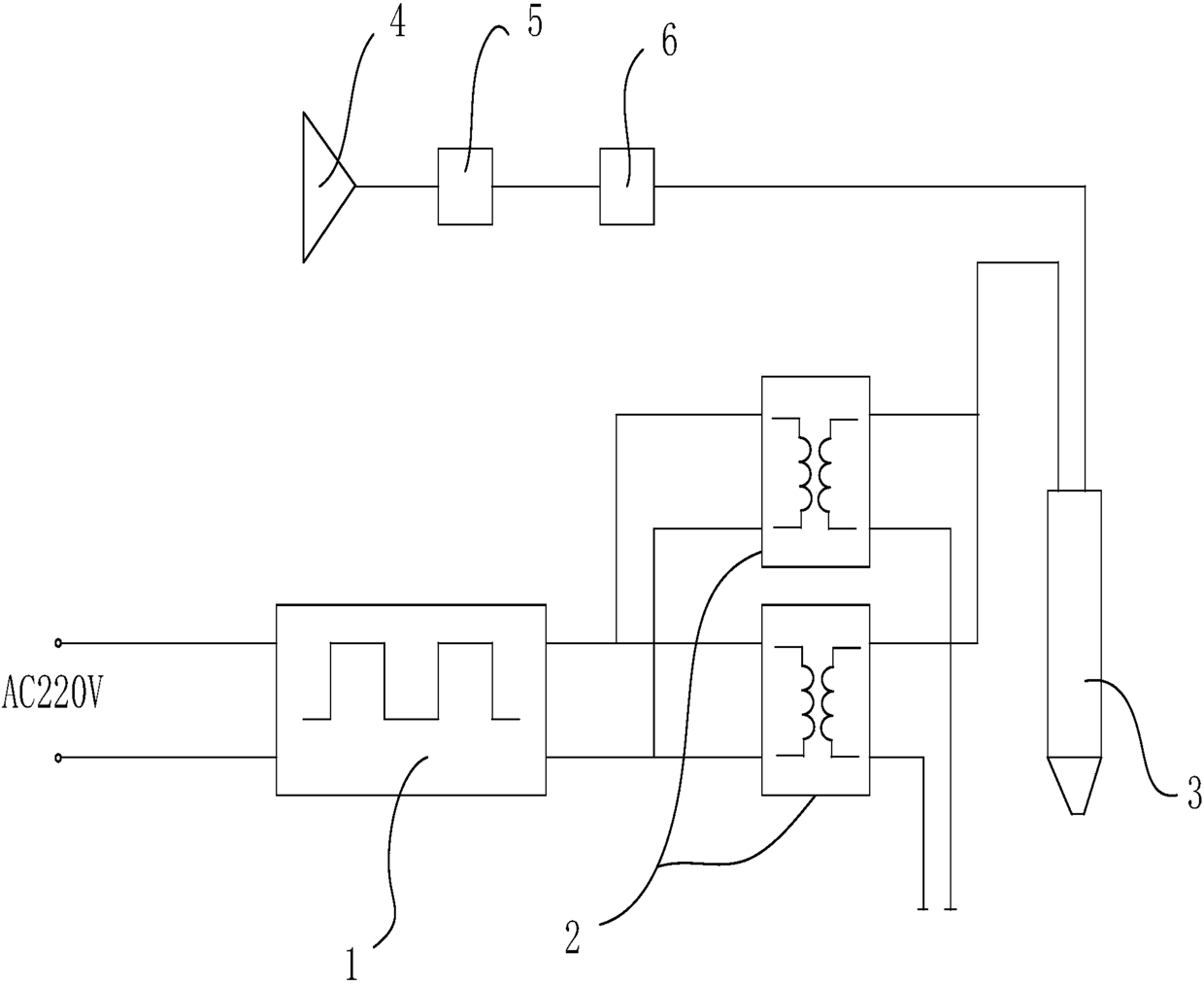
一种用于柔性OLED显示基板表面处理的设备
授权日
2016-09-28
公开(公告)号
CN205609580U
申请日
2016-04-13
公开(公告)日
2016-09-28
当前申请(专利权)人
苏州普洛泰科精密工业有限公司
发明人
肖凤祥 | 辛傲宇 | 吴雨柱 | 徐恒军
简单同族
CN205609580U
简单同族成员数量
1
简单同族被引用专利总数
0
诉讼案件数
0
法律状态/事件
授权
抱歉,您的浏览器不支持PDF预览,请点击链接下载PDF文件