专利数据库
统计分析
产业报告
专利数据监控
产业人才
行业动态
产业政策法规
维权援助
个人中心
详情
文本
图像
标题
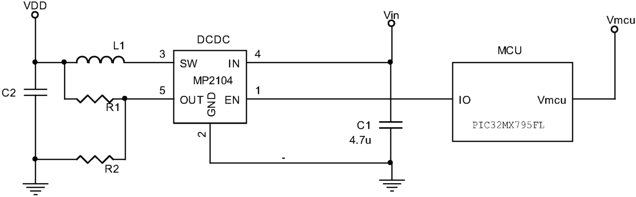
改善VR眩晕的OLED显示屏驱动电路
授权日
1900-01-01
公开(公告)号
CN107180609A
申请日
2017-07-26
公开(公告)日
2017-09-19
当前申请(专利权)人
四川长虹电器股份有限公司
发明人
刘常富 | 田朝勇
简单同族
CN107180609A
简单同族成员数量
1
简单同族被引用专利总数
0
诉讼案件数
0
法律状态/事件
驳回
抱歉,您的浏览器不支持PDF预览,请点击链接下载PDF文件