专利数据库
统计分析
产业报告
专利数据监控
产业人才
行业动态
产业政策法规
维权援助
个人中心
详情
文本
图像
标题
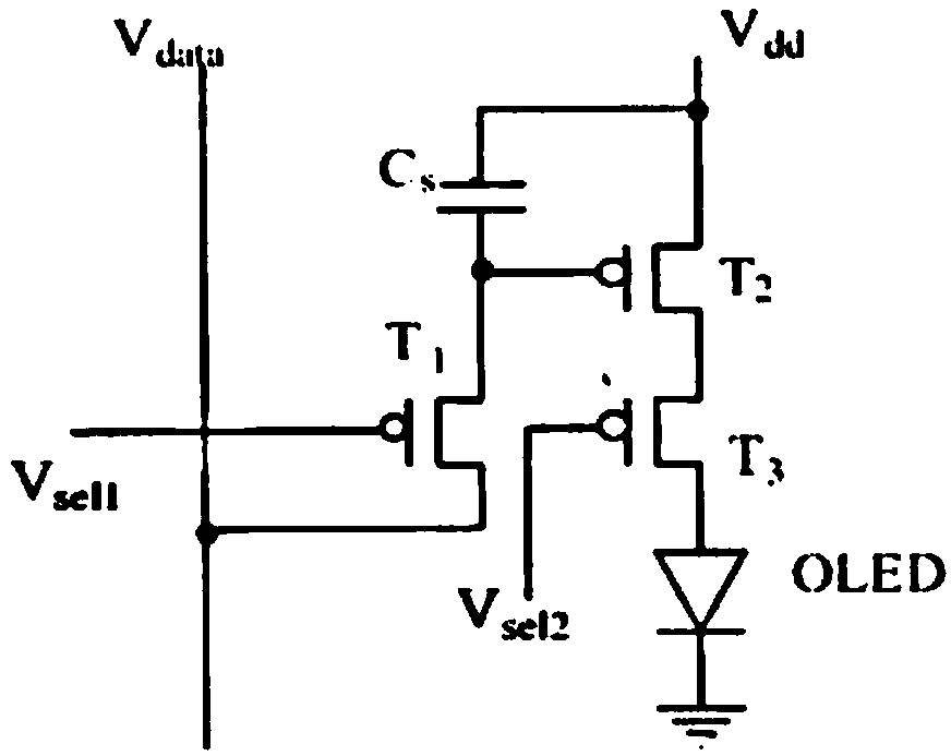
一种有源OLED像素驱动电路
授权日
1900-01-01
公开(公告)号
CN107863070A
申请日
2017-12-22
公开(公告)日
2018-03-30
当前申请(专利权)人
重庆秉为科技有限公司
发明人
周亚琴 | 王俊
简单同族
CN107863070A
简单同族成员数量
1
简单同族被引用专利总数
0
诉讼案件数
0
法律状态/事件
驳回
抱歉,您的浏览器不支持PDF预览,请点击链接下载PDF文件