专利数据库
统计分析
产业报告
专利数据监控
产业人才
行业动态
产业政策法规
维权援助
个人中心
详情
文本
图像
标题
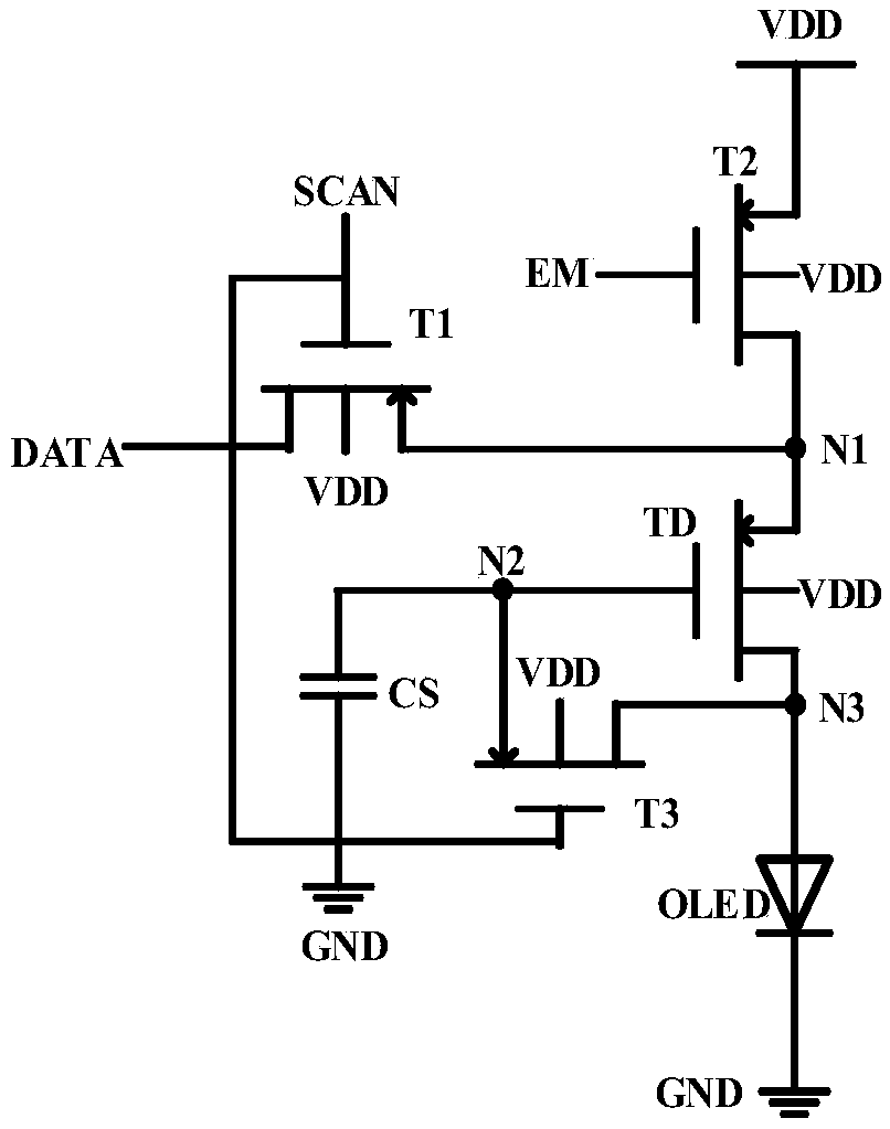
一种提高硅基OLED微显示器电流稳定性的像素电路和方法
授权日
1900-01-01
公开(公告)号
CN109166525A
申请日
2018-10-15
公开(公告)日
2019-01-08
当前申请(专利权)人
东南大学
发明人
李晨 | 赖良德
简单同族
CN109166525A
简单同族成员数量
1
简单同族被引用专利总数
0
诉讼案件数
0
法律状态/事件
实质审查
抱歉,您的浏览器不支持PDF预览,请点击链接下载PDF文件