专利数据库
统计分析
产业报告
专利数据监控
产业人才
行业动态
产业政策法规
维权援助
个人中心
详情
文本
图像
标题
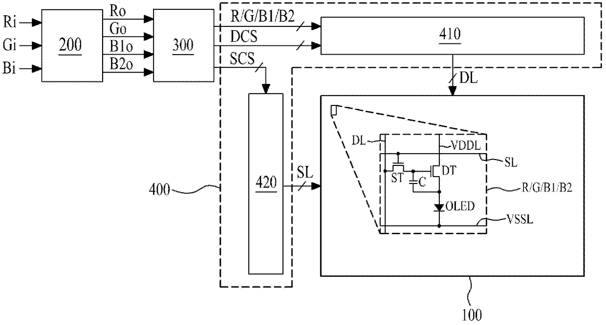
用于驱动有机发光显示装置的设备和方法
授权日
1900-01-01
公开(公告)号
CN102568376A
申请日
2011-12-12
公开(公告)日
2012-07-11
当前申请(专利权)人
乐金显示有限公司
发明人
卞胜赞 | 金炯洙
简单同族
CN102568376A | CN102568376B | KR101440773B1 | KR1020120065694A | US20120147065A1 | US8736641
简单同族成员数量
6
简单同族被引用专利总数
80
诉讼案件数
0
法律状态/事件
授权
抱歉,您的浏览器不支持PDF预览,请点击链接下载PDF文件