专利数据库
统计分析
产业报告
专利数据监控
产业人才
行业动态
产业政策法规
维权援助
个人中心
详情
文本
图像
标题
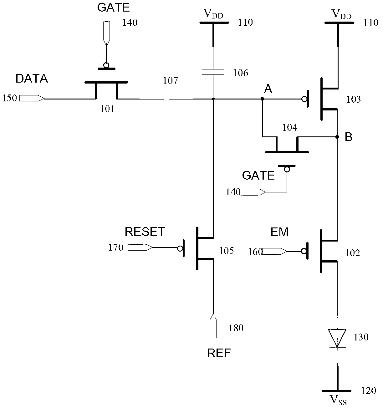
像素电路及驱动方法、显示装置
授权日
1900-01-01
公开(公告)号
CN102930824A
申请日
2012-11-13
公开(公告)日
2013-02-13
当前申请(专利权)人
京东方科技集团股份有限公司
发明人
王颖
简单同族
CN102930824A | CN102930824B
简单同族成员数量
2
简单同族被引用专利总数
68
诉讼案件数
0
法律状态/事件
授权
抱歉,您的浏览器不支持PDF预览,请点击链接下载PDF文件