专利数据库
统计分析
产业报告
专利数据监控
产业人才
行业动态
产业政策法规
维权援助
个人中心
详情
文本
图像
标题
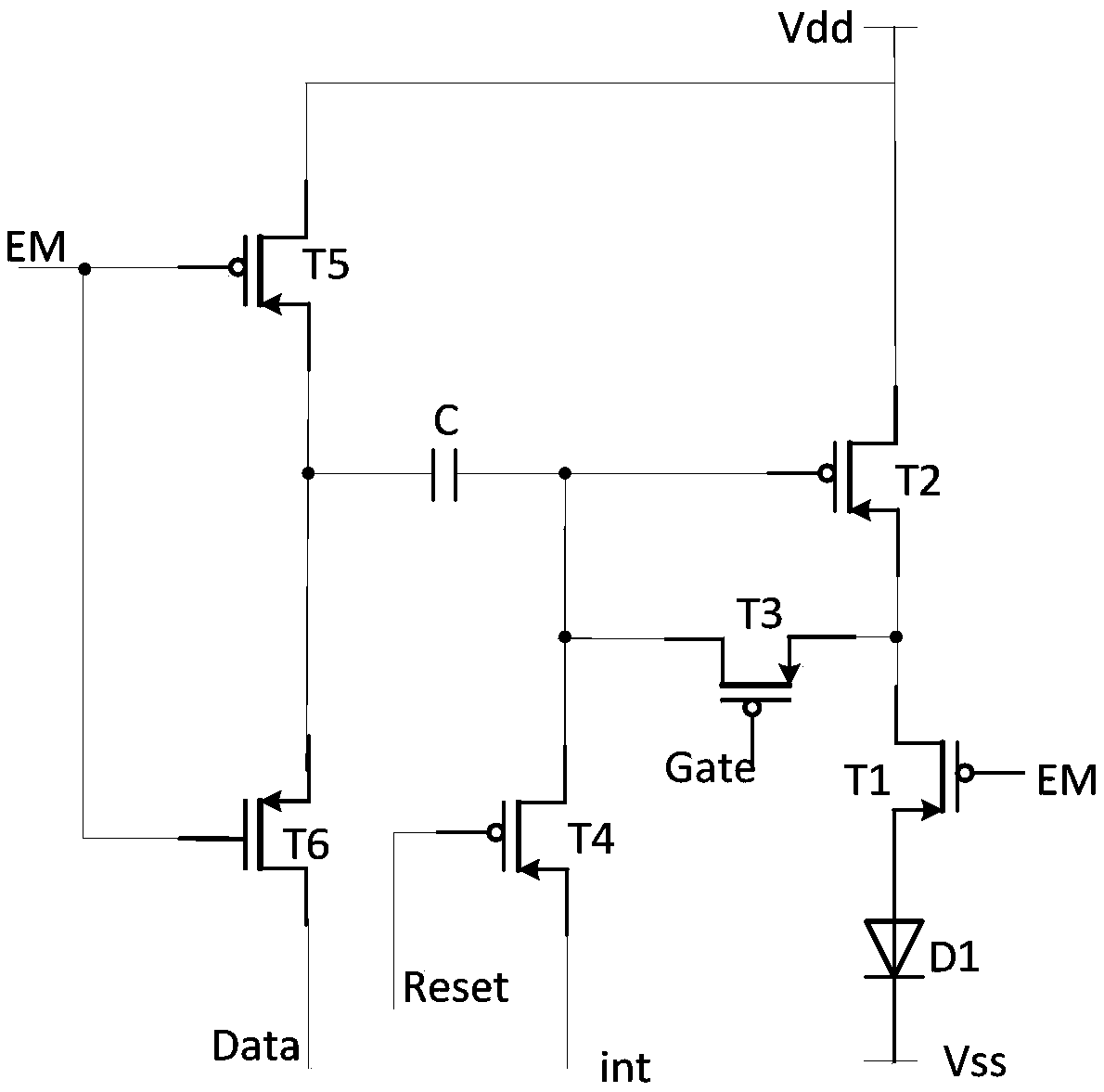
OLED像素驱动电路和OLED显示器
授权日
1900-01-01
公开(公告)号
CN109671394A
申请日
2019-02-21
公开(公告)日
2019-04-23
当前申请(专利权)人
深圳市华星光电半导体显示技术有限公司
发明人
李新吉
简单同族
CN109671394A
简单同族成员数量
1
简单同族被引用专利总数
0
诉讼案件数
0
法律状态/事件
实质审查
抱歉,您的浏览器不支持PDF预览,请点击链接下载PDF文件