专利数据库
统计分析
产业报告
专利数据监控
产业人才
行业动态
产业政策法规
维权援助
个人中心
详情
文本
图像
标题
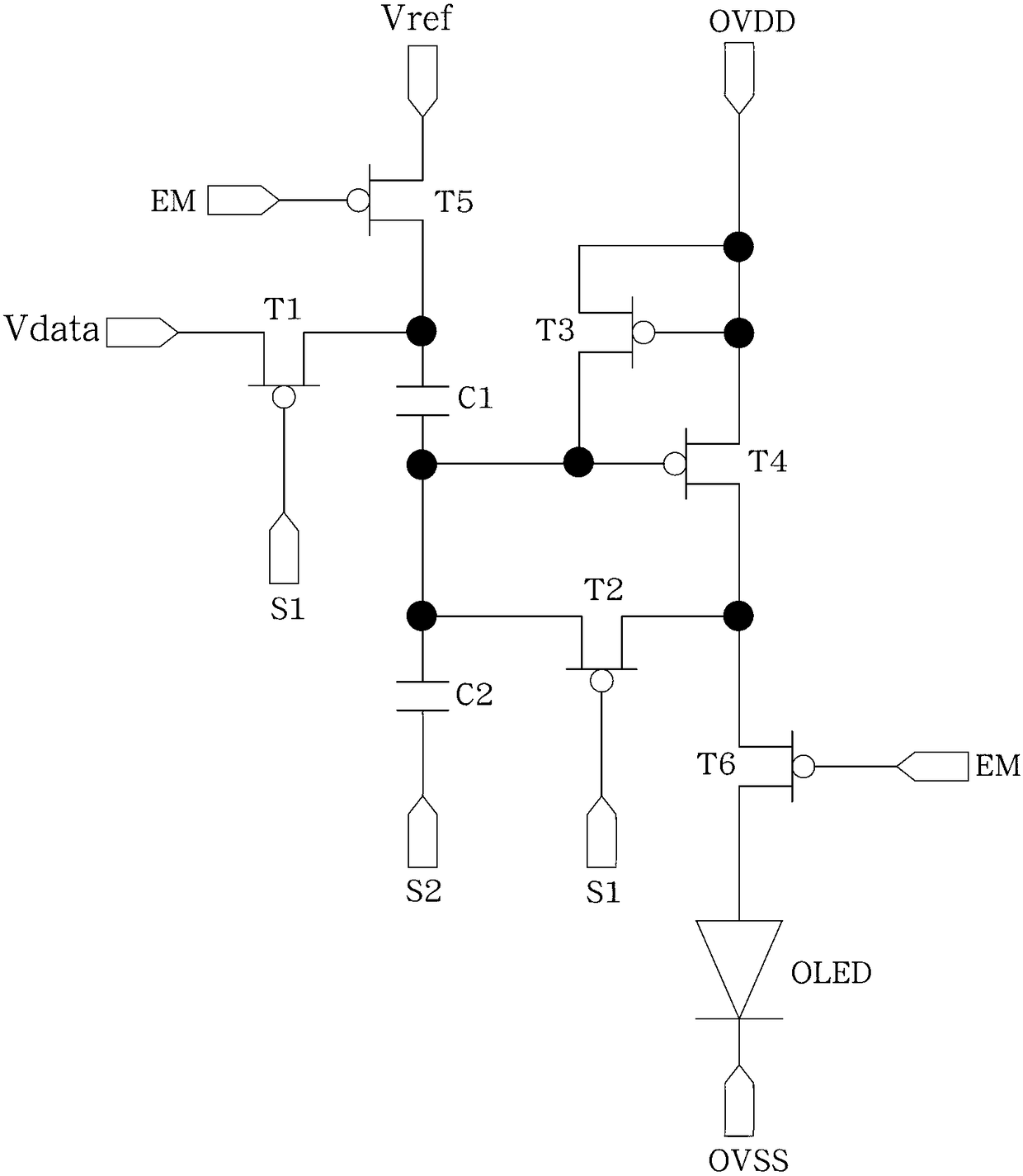
一种用于AMOLED显示器的像素补偿电路
授权日
1900-01-01
公开(公告)号
CN103150991A
申请日
2013-03-14
公开(公告)日
2013-06-12
当前申请(专利权)人
友达光电股份有限公司
发明人
郑士嵩
简单同族
CN103150991A
简单同族成员数量
1
简单同族被引用专利总数
54
诉讼案件数
0
法律状态/事件
撤回
抱歉,您的浏览器不支持PDF预览,请点击链接下载PDF文件