专利数据库
统计分析
产业报告
专利数据监控
产业人才
行业动态
产业政策法规
维权援助
个人中心
详情
文本
图像
标题
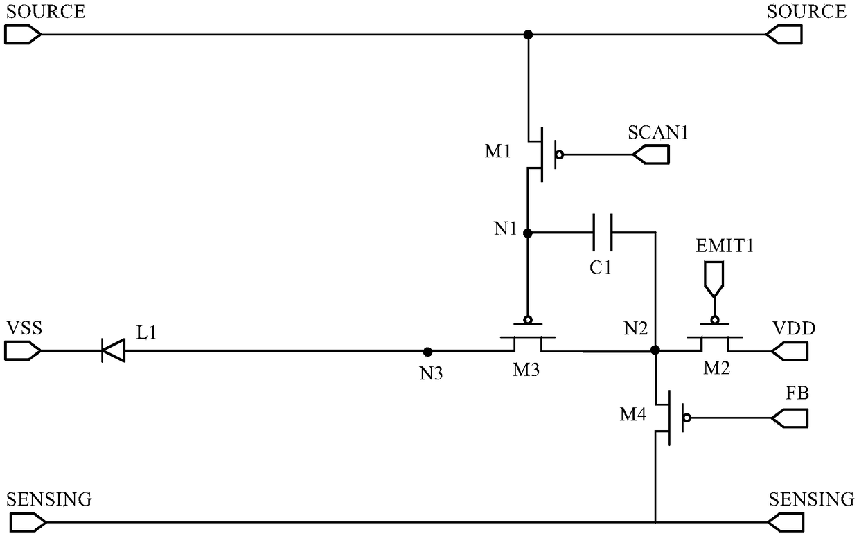
有机发光二极管补偿电路、显示面板和显示装置
授权日
1900-01-01
公开(公告)号
CN109102775A
申请日
2018-08-31
公开(公告)日
2018-12-28
当前申请(专利权)人
武汉天马微电子有限公司
发明人
徐豪杰 | 周星耀 | 李玥 | 高娅娜
简单同族
CN109102775A | US20200074927A1
简单同族成员数量
2
简单同族被引用专利总数
0
诉讼案件数
0
法律状态/事件
实质审查
抱歉,您的浏览器不支持PDF预览,请点击链接下载PDF文件