专利数据库
统计分析
产业报告
专利数据监控
产业人才
行业动态
产业政策法规
维权援助
个人中心
详情
文本
图像
标题
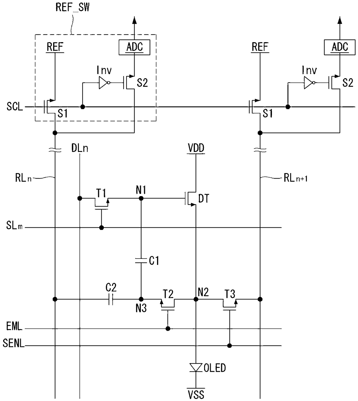
有机发光二极管显示装置
授权日
1900-01-01
公开(公告)号
CN103123774A
申请日
2012-11-16
公开(公告)日
2013-05-29
当前申请(专利权)人
乐金显示有限公司
发明人
尹重先 | 李暎学
简单同族
CN103123774A | CN103123774B | KR101938880B1 | KR1020130055402A | US20130127692A1 | US9053668
简单同族成员数量
6
简单同族被引用专利总数
49
诉讼案件数
0
法律状态/事件
授权
抱歉,您的浏览器不支持PDF预览,请点击链接下载PDF文件