专利数据库
统计分析
产业报告
专利数据监控
产业人才
行业动态
产业政策法规
维权援助
个人中心
详情
文本
图像
标题
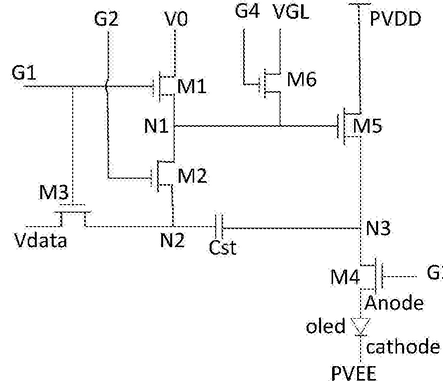
有机发光像素电路、显示装置及有机发光像素电路的驱动方法
授权日
1900-01-01
公开(公告)号
CN106952613A
申请日
2017-05-27
公开(公告)日
2017-07-14
当前申请(专利权)人
上海天马有机发光显示技术有限公司
发明人
林芳云 | 刘丽媛 | 李针英
简单同族
CN106952613A | CN106952613B
简单同族成员数量
2
简单同族被引用专利总数
0
诉讼案件数
0
法律状态/事件
授权
抱歉,您的浏览器不支持PDF预览,请点击链接下载PDF文件