专利数据库
统计分析
产业报告
专利数据监控
产业人才
行业动态
产业政策法规
维权援助
个人中心
详情
文本
图像
标题
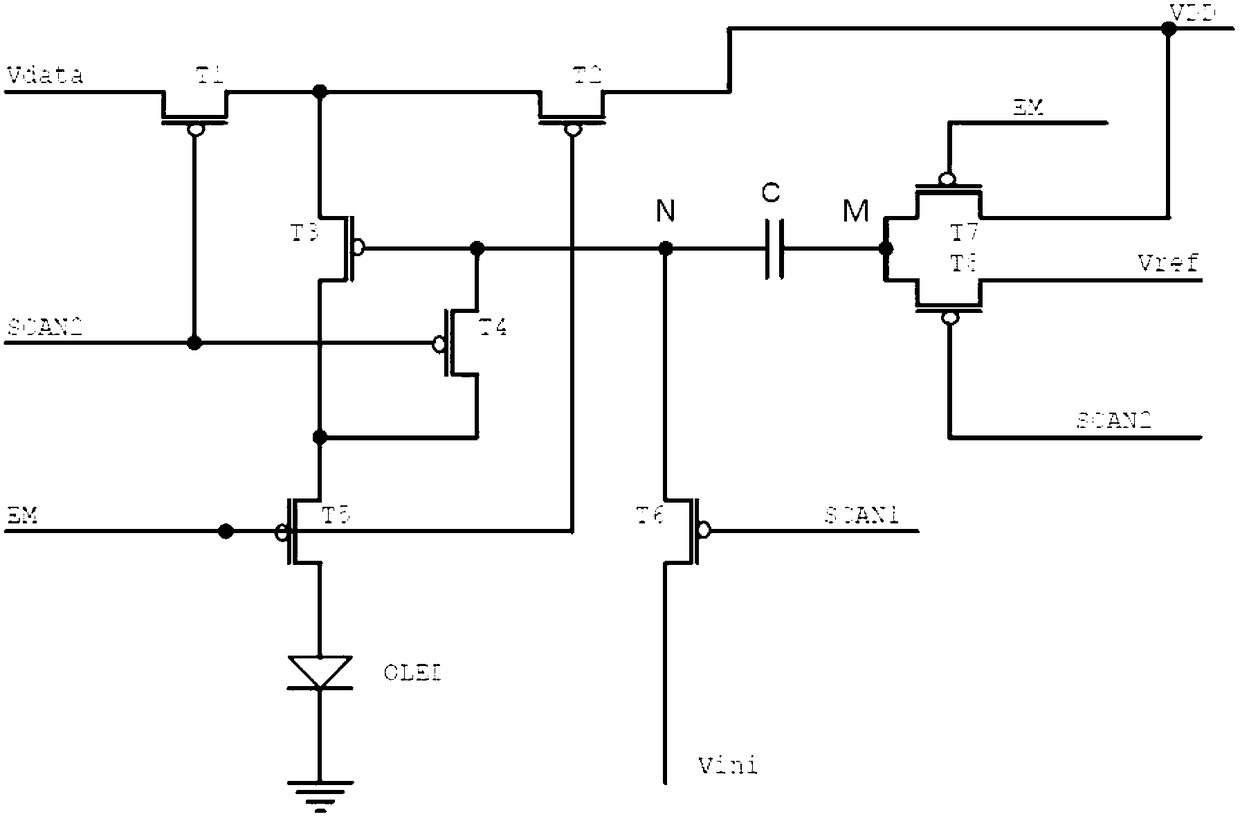
有机发光显示器的像素电路
授权日
1900-01-01
公开(公告)号
CN102903333A
申请日
2012-10-25
公开(公告)日
2013-01-30
当前申请(专利权)人
昆山工研院新型平板显示技术中心有限公司
发明人
张小宝 | 邱勇 | 黄秀颀 | 胡思明
简单同族
CN102903333A | CN102903333B
简单同族成员数量
2
简单同族被引用专利总数
49
诉讼案件数
0
法律状态/事件
授权
抱歉,您的浏览器不支持PDF预览,请点击链接下载PDF文件