专利数据库
统计分析
产业报告
专利数据监控
产业人才
行业动态
产业政策法规
维权援助
个人中心
详情
文本
图像
标题
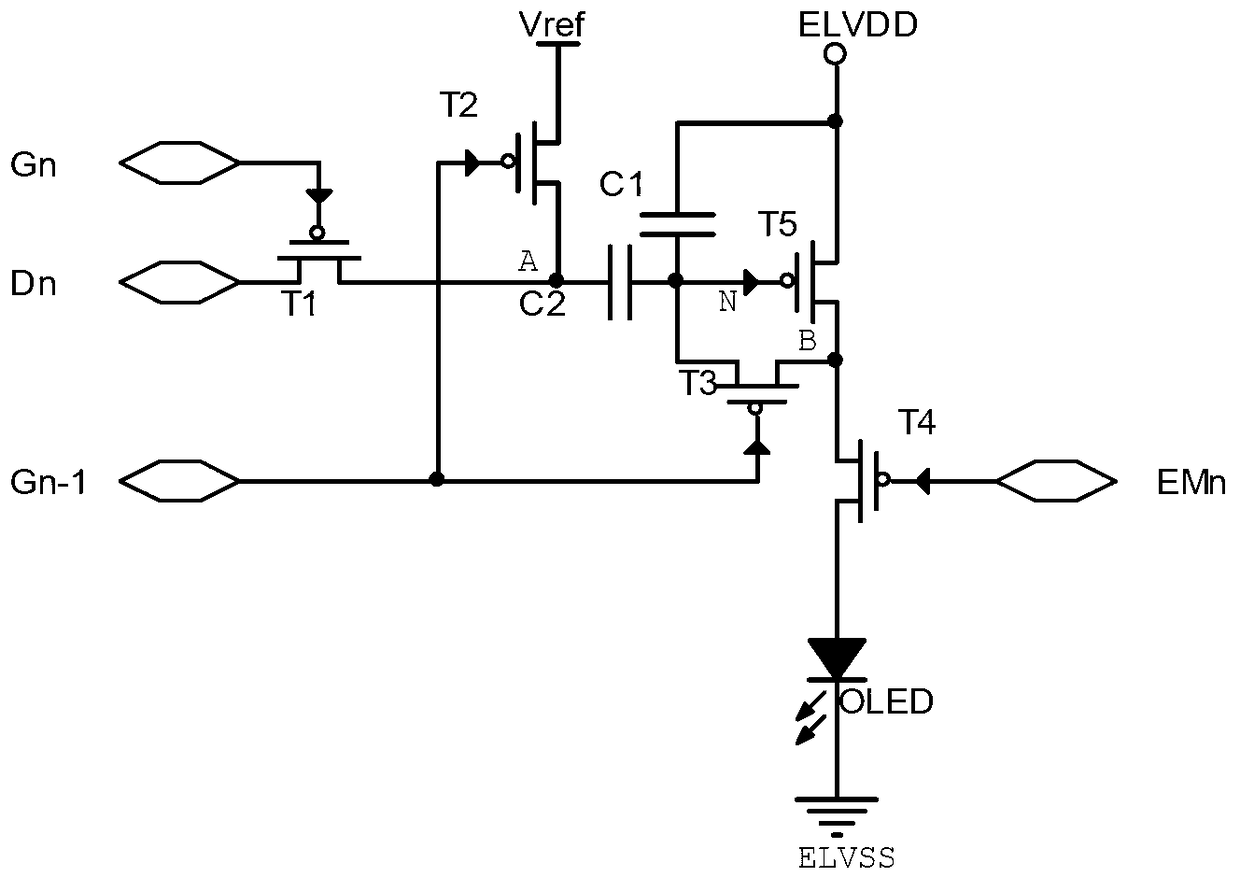
一种OLED像素驱动电路
授权日
1900-01-01
公开(公告)号
CN103077680A
申请日
2013-01-10
公开(公告)日
2013-05-01
当前申请(专利权)人
上海和辉光电有限公司
发明人
秦永亮 | 陈志宏 | 黄初旺
简单同族
CN103077680A | CN103077680B | TW201331916A | US20140192038A1
简单同族成员数量
4
简单同族被引用专利总数
70
诉讼案件数
0
法律状态/事件
授权
抱歉,您的浏览器不支持PDF预览,请点击链接下载PDF文件