专利数据库
统计分析
产业报告
专利数据监控
产业人才
行业动态
产业政策法规
维权援助
个人中心
详情
文本
图像
标题
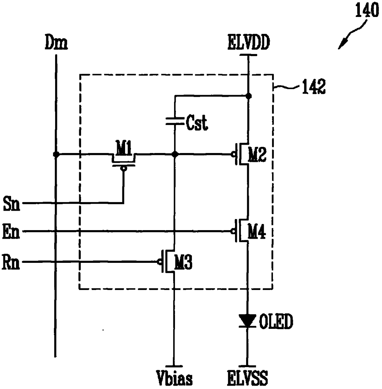
像素、具有这种像素的有机发光显示器及其驱动方法
授权日
1900-01-01
公开(公告)号
CN102402940A
申请日
2011-02-25
公开(公告)日
2012-04-04
当前申请(专利权)人
三星显示有限公司
发明人
朴圣日
简单同族
CN102402940A | CN102402940B | DE102011078864A1 | JP2012063734A | JP5844525B2 | KR101779076B1 | KR1020120028013A | TW201211982A | TWI550576B | US20120062536A1 | US8692821
简单同族成员数量
11
简单同族被引用专利总数
55
诉讼案件数
0
法律状态/事件
授权 | 权利转移
抱歉,您的浏览器不支持PDF预览,请点击链接下载PDF文件