专利数据库
统计分析
产业报告
专利数据监控
产业人才
行业动态
产业政策法规
维权援助
个人中心
详情
文本
图像
标题
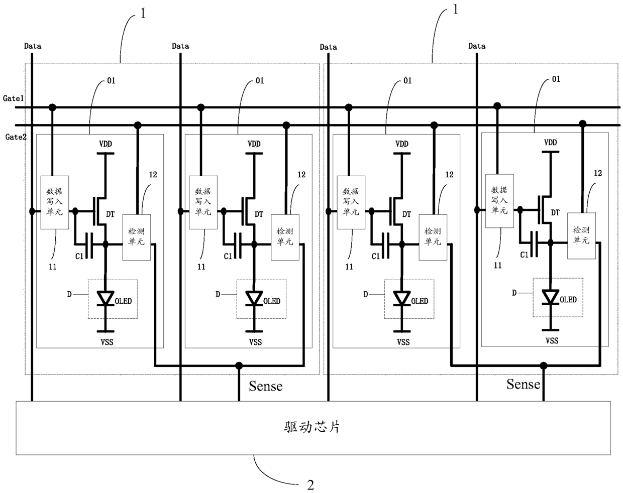
一种有机电致发光显示面板及显示装置
授权日
2016-05-11
公开(公告)号
CN104809986B
申请日
2015-05-15
公开(公告)日
2016-05-11
当前申请(专利权)人
京东方科技集团股份有限公司
发明人
宋丹娜
简单同族
CN104809986A | CN104809986B | US10008159 | US20170169767A1 | WO2016184282A1
简单同族成员数量
5
简单同族被引用专利总数
50
诉讼案件数
0
法律状态/事件
授权
抱歉,您的浏览器不支持PDF预览,请点击链接下载PDF文件