专利数据库
统计分析
产业报告
专利数据监控
产业人才
行业动态
产业政策法规
维权援助
个人中心
详情
文本
图像
标题
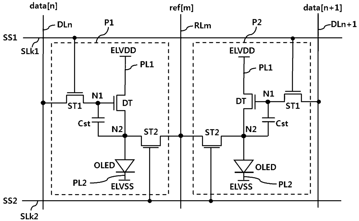
用于感测像素电流的显示装置及其像素电流感测方法
授权日
1900-01-01
公开(公告)号
CN103578411A
申请日
2012-12-24
公开(公告)日
2014-02-12
当前申请(专利权)人
乐金显示有限公司
发明人
李志恩 | 金凡植 | 金承泰 | 河元奎 | 吴吉焕
简单同族
CN103578411A | CN103578411B | DE102012112290A1 | DE102012112290B4 | GB201223069D0 | GB2504163A | GB2504163B | KR101528148B1 | KR1020140013146A | US20140022289A1 | US9035976
简单同族成员数量
11
简单同族被引用专利总数
191
诉讼案件数
0
法律状态/事件
授权
抱歉,您的浏览器不支持PDF预览,请点击链接下载PDF文件