专利数据库
统计分析
产业报告
专利数据监控
产业人才
行业动态
产业政策法规
维权援助
个人中心
详情
文本
图像
标题
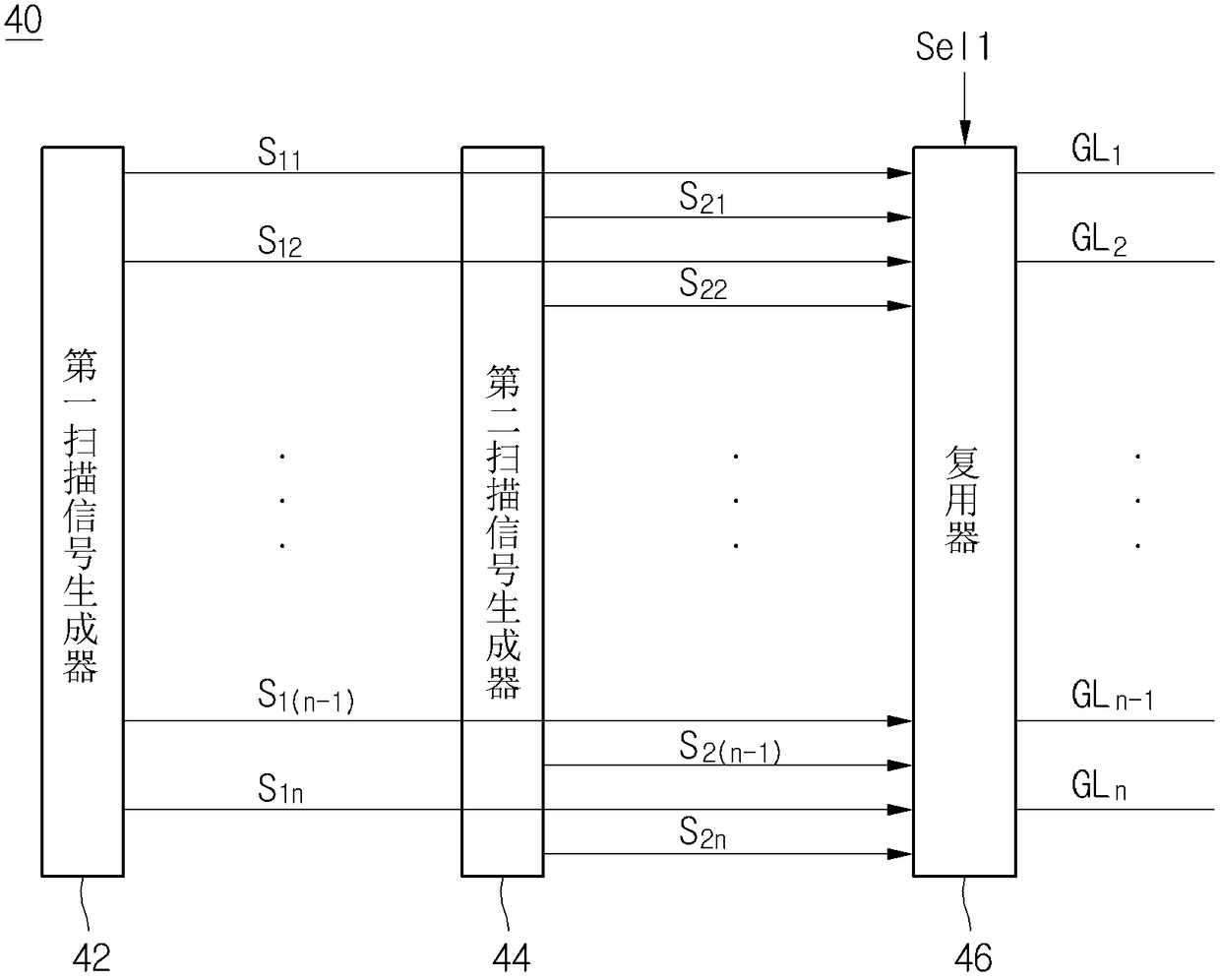
有机发光显示设备
授权日
1900-01-01
公开(公告)号
CN103050083A
申请日
2012-10-11
公开(公告)日
2013-04-17
当前申请(专利权)人
乐金显示有限公司
发明人
金镇亨 | 金承泰 | 崔倾植 | 郑义泽
简单同族
CN103050083A | CN103050083B | KR101463651B1 | KR1020130039551A | US20130093652A1 | US20170103708A1 | US9548020 | US9858866
简单同族成员数量
8
简单同族被引用专利总数
51
诉讼案件数
0
法律状态/事件
授权
抱歉,您的浏览器不支持PDF预览,请点击链接下载PDF文件