专利数据库
统计分析
产业报告
专利数据监控
产业人才
行业动态
产业政策法规
维权援助
个人中心
详情
文本
图像
标题
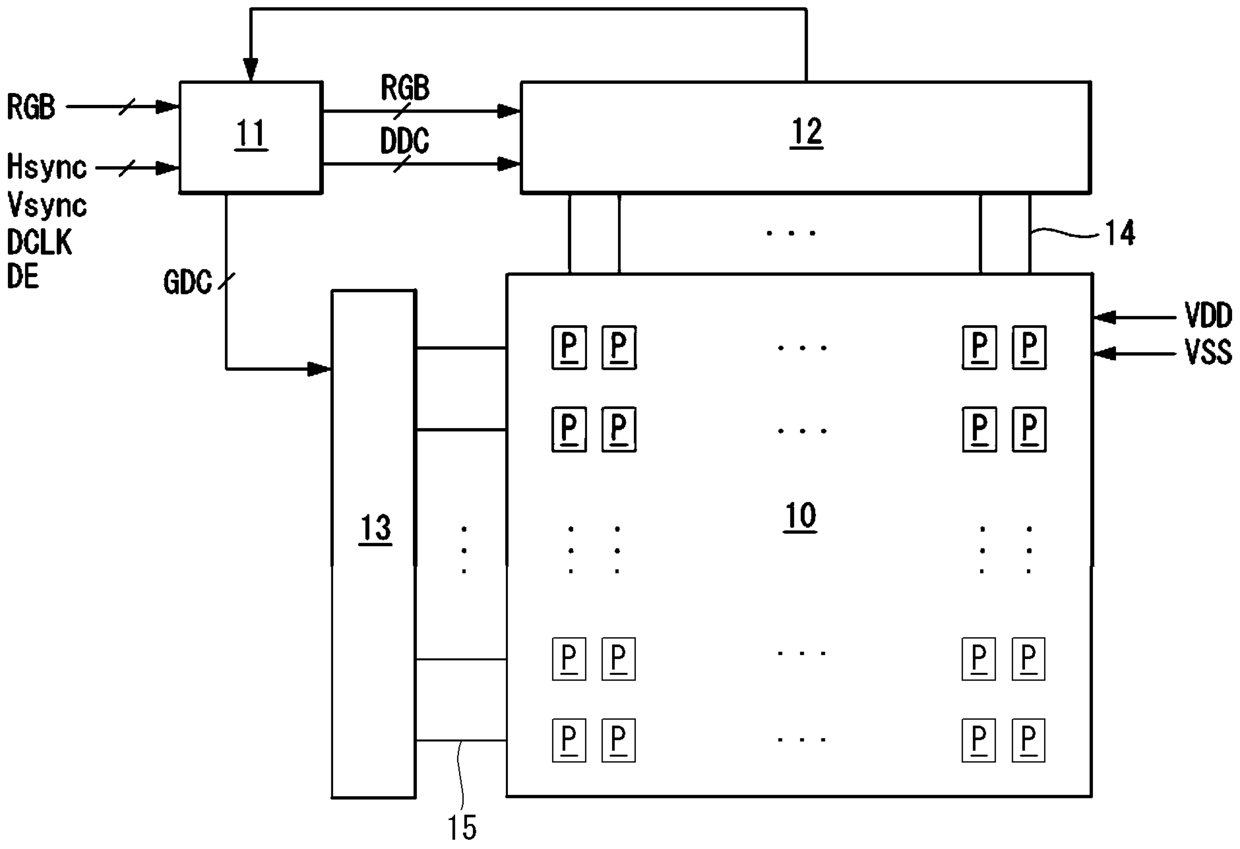
有机发光显示器
授权日
2016-11-23
公开(公告)号
CN103871362B
申请日
2013-11-05
公开(公告)日
2016-11-23
当前申请(专利权)人
乐金显示有限公司
发明人
孔南容 | 申宇燮 | 朴权植 | 朴清勳 | 郑义振
简单同族
CN103871362A | CN103871362B | KR1020140078419A | KR102122517B1 | US10115341 | US20140168194A1 | US20160300528A1 | US9396679
简单同族成员数量
8
简单同族被引用专利总数
72
诉讼案件数
0
法律状态/事件
授权
抱歉,您的浏览器不支持PDF预览,请点击链接下载PDF文件