专利数据库
统计分析
产业报告
专利数据监控
产业人才
行业动态
产业政策法规
维权援助
个人中心
详情
文本
图像
标题
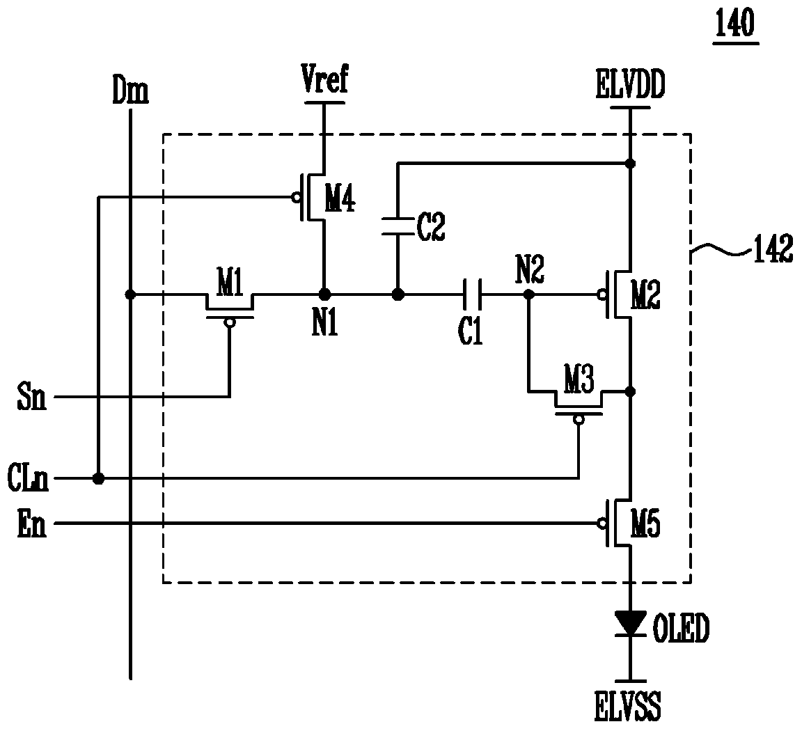
像素和使用该像素的有机发光显示装置
授权日
2018-06-22
公开(公告)号
CN105336296B
申请日
2011-02-18
公开(公告)日
2018-06-22
当前申请(专利权)人
三星显示有限公司
发明人
朴东昱 | 姜哲圭 | 金襟男
简单同族
CN102194405A | CN102194405B | CN105336296A | CN105336296B | EP2372685A1 | EP2372685B1 | JP2011197627A | JP5158385B2 | KR101199106B1 | KR1020110104708A | US20110227956A1 | US20150097763A1 | US8941567 | US9299289
简单同族成员数量
14
简单同族被引用专利总数
48
诉讼案件数
0
法律状态/事件
授权
抱歉,您的浏览器不支持PDF预览,请点击链接下载PDF文件