专利数据库
统计分析
产业报告
专利数据监控
产业人才
行业动态
产业政策法规
维权援助
个人中心
详情
文本
图像
标题
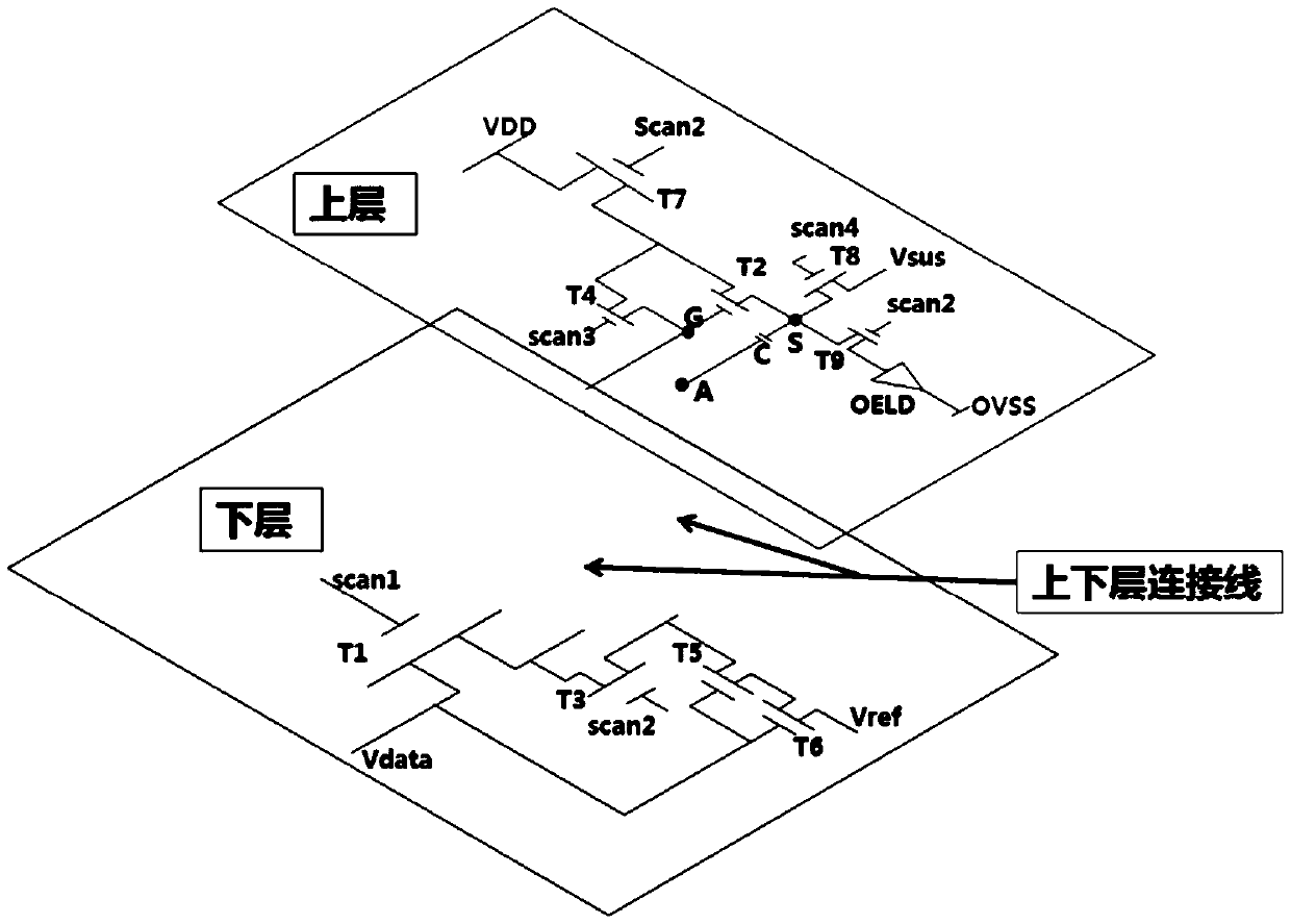
分层式AMOLED像素补偿电路
授权日
2020-06-19
公开(公告)号
CN210805181U
申请日
2019-10-31
公开(公告)日
2020-06-19
当前申请(专利权)人
福建华佳彩有限公司
发明人
罗敬凯 | 卢昭阳 | 贾浩
简单同族
CN210805181U
简单同族成员数量
1
简单同族被引用专利总数
0
诉讼案件数
0
法律状态/事件
授权
抱歉,您的浏览器不支持PDF预览,请点击链接下载PDF文件