专利数据库
统计分析
产业报告
专利数据监控
产业人才
行业动态
产业政策法规
维权援助
个人中心
详情
文本
图像
标题
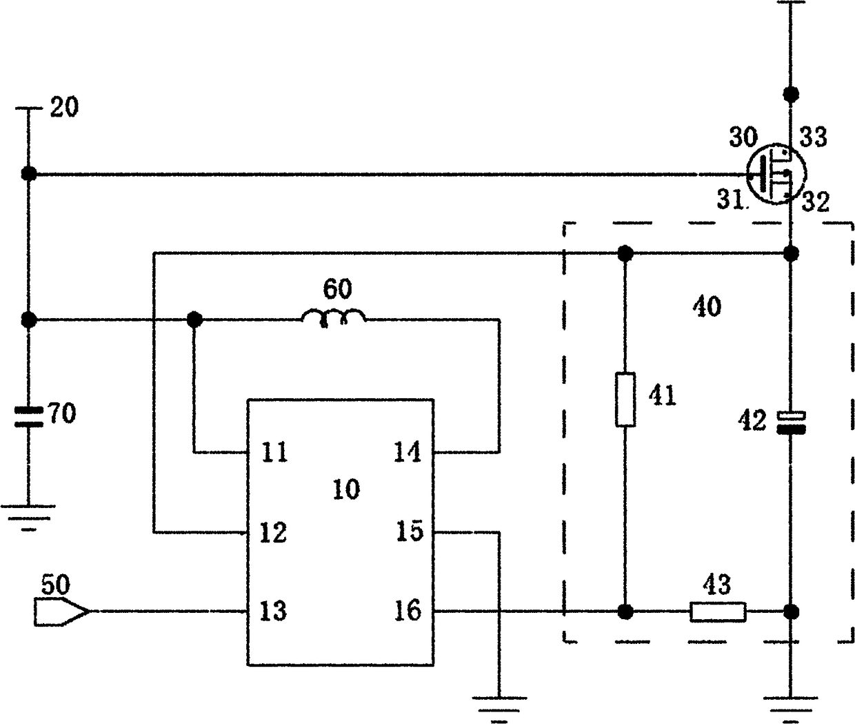
一种手机、OLED显示屏模块及OLED显示屏驱动电路
授权日
2011-07-13
公开(公告)号
CN201897945U
申请日
2010-12-02
公开(公告)日
2011-07-13
当前申请(专利权)人
惠州TCL移动通信有限公司
发明人
李坚 | 刘科
简单同族
CN201897945U
简单同族成员数量
1
简单同族被引用专利总数
0
诉讼案件数
0
法律状态/事件
避重授权
抱歉,您的浏览器不支持PDF预览,请点击链接下载PDF文件