专利数据库
统计分析
产业报告
专利数据监控
产业人才
行业动态
产业政策法规
维权援助
个人中心
详情
文本
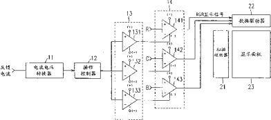
图像
标题
图像显示器
授权日
1900-01-01
公开(公告)号
CN1551078A
申请日
2004-02-10
公开(公告)日
2004-12-01
当前申请(专利权)人
三星显示有限公司
发明人
李在晟 | 吴春烈 | 柳道亨 | 崔镇玄
简单同族
CN100378787C | CN1551078A | JP2004246322A | JP2008203859A | JP4129424B2 | KR100490624B1 | KR1020040072233A | US20040160168A1 | US7321350
简单同族成员数量
9
简单同族被引用专利总数
50
诉讼案件数
0
法律状态/事件
授权 | 权利转移
抱歉,您的浏览器不支持PDF预览,请点击链接下载PDF文件