专利数据库
统计分析
产业报告
专利数据监控
产业人才
行业动态
产业政策法规
维权援助
个人中心
详情
文本
图像
标题
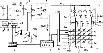
发光显示屏的驱动方法和有机EL显示装置
授权日
1900-01-01
公开(公告)号
CN1441399A
申请日
2003-02-27
公开(公告)日
2003-09-10
当前申请(专利权)人
东北先锋电子股份有限公司
发明人
吉田孝义 | 村形昌希
简单同族
CN1441399A | EP1341147A2 | EP1341147A3 | JP2003255894A | JP3854173B2 | TW200303510A | TWI235982B | US20030160744A1 | US7088319
简单同族成员数量
9
简单同族被引用专利总数
77
诉讼案件数
0
法律状态/事件
撤回
抱歉,您的浏览器不支持PDF预览,请点击链接下载PDF文件