专利数据库
统计分析
产业报告
专利数据监控
产业人才
行业动态
产业政策法规
维权援助
个人中心
详情
文本
图像
标题
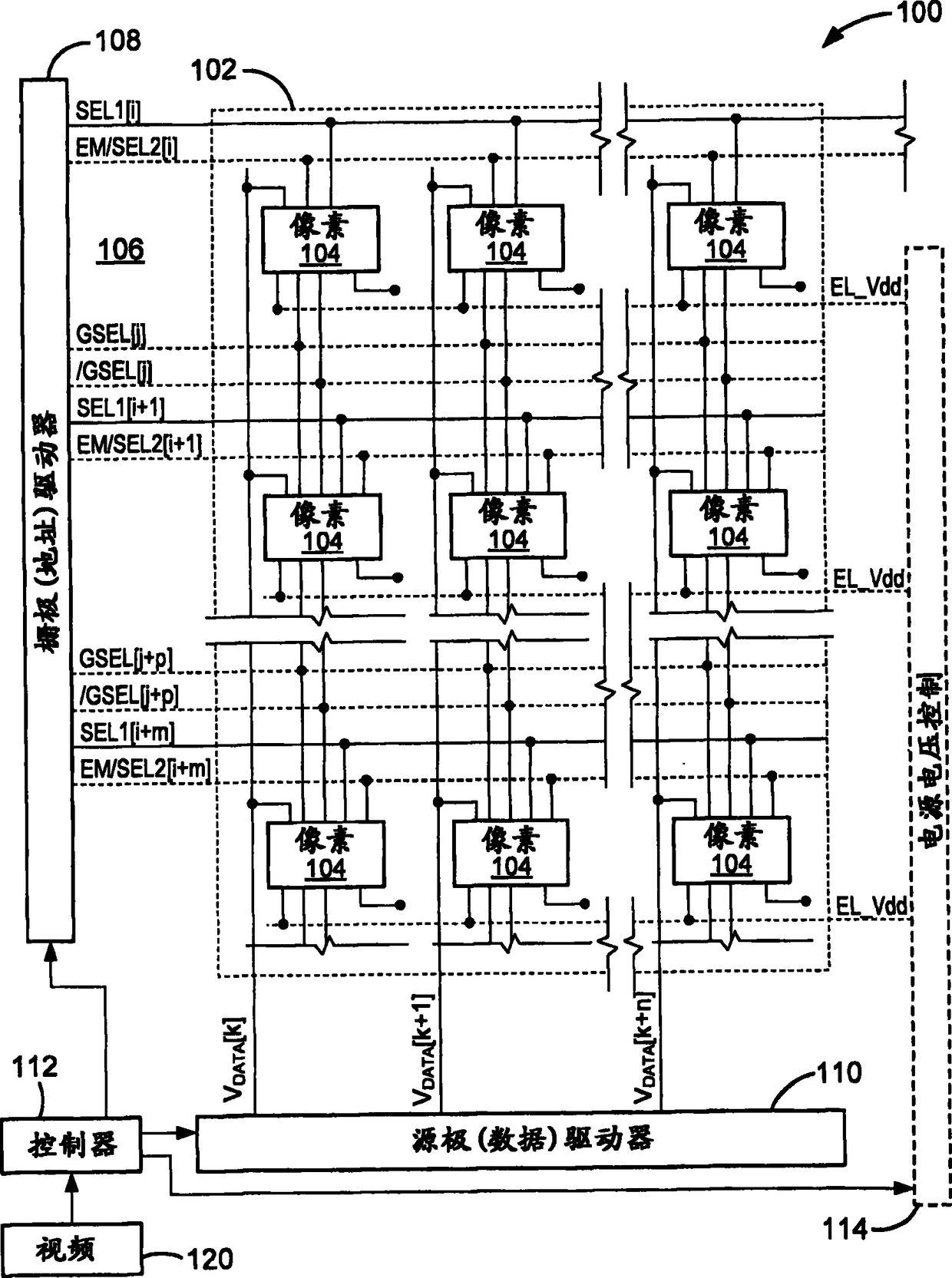
用于有源矩阵显示器的驱动系统
授权日
2014-12-17
公开(公告)号
CN102024418B
申请日
2010-09-09
公开(公告)日
2014-12-17
当前申请(专利权)人
伊格尼斯创新公司
发明人
李孔宁 | V·戈普达 | G·查吉 | A·内森
简单同族
CA2714827A1 | CN102024418A | CN102024418B | EP2299427A1 | JP2011070184A | KR1020110027630A | US20110069096A1 | US9093019
简单同族成员数量
8
简单同族被引用专利总数
112
诉讼案件数
0
法律状态/事件
授权
抱歉,您的浏览器不支持PDF预览,请点击链接下载PDF文件