专利数据库
统计分析
产业报告
专利数据监控
产业人才
行业动态
产业政策法规
维权援助
个人中心
详情
文本
图像
标题
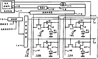
有源驱动型有机EL显示装置及其驱动控制方法
授权日
2008-04-02
公开(公告)号
CN100378778C
申请日
2004-02-19
公开(公告)日
2008-04-02
当前申请(专利权)人
日本东北先锋株式会社
发明人
吉田孝义
简单同族
CN100378778C | CN1523558A | EP1450345A2 | JP2004252036A | JP4571375B2 | KR100959085B1 | KR1020040074607A | TW200416664A | TWI234757B | US20040160395A1 | US7248255
简单同族成员数量
11
简单同族被引用专利总数
66
诉讼案件数
0
法律状态/事件
授权
抱歉,您的浏览器不支持PDF预览,请点击链接下载PDF文件