专利数据库
统计分析
产业报告
专利数据监控
产业人才
行业动态
产业政策法规
维权援助
个人中心
详情
文本
图像
标题
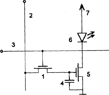
用于有源矩阵显示器的象素
授权日
1900-01-01
公开(公告)号
CN1655210A
申请日
2005-01-17
公开(公告)日
2005-08-17
当前申请(专利权)人
诺瓦尔德股份有限公司
发明人
卡尔・莱奥
简单同族
CA2492222A1 | CN1655210A | DE102004002587A1 | DE102004002587B4 | EP1555701A2 | EP1555701A3 | HK1079339A | JP2005251730A | KR100713963B1 | KR1020050075711A | TW200525472A | TWI300915B | US20050179399A1
简单同族成员数量
13
简单同族被引用专利总数
51
诉讼案件数
0
法律状态/事件
驳回 | 复审
抱歉,您的浏览器不支持PDF预览,请点击链接下载PDF文件