专利数据库
统计分析
产业报告
专利数据监控
产业人才
行业动态
产业政策法规
维权援助
个人中心
详情
文本
图像
标题
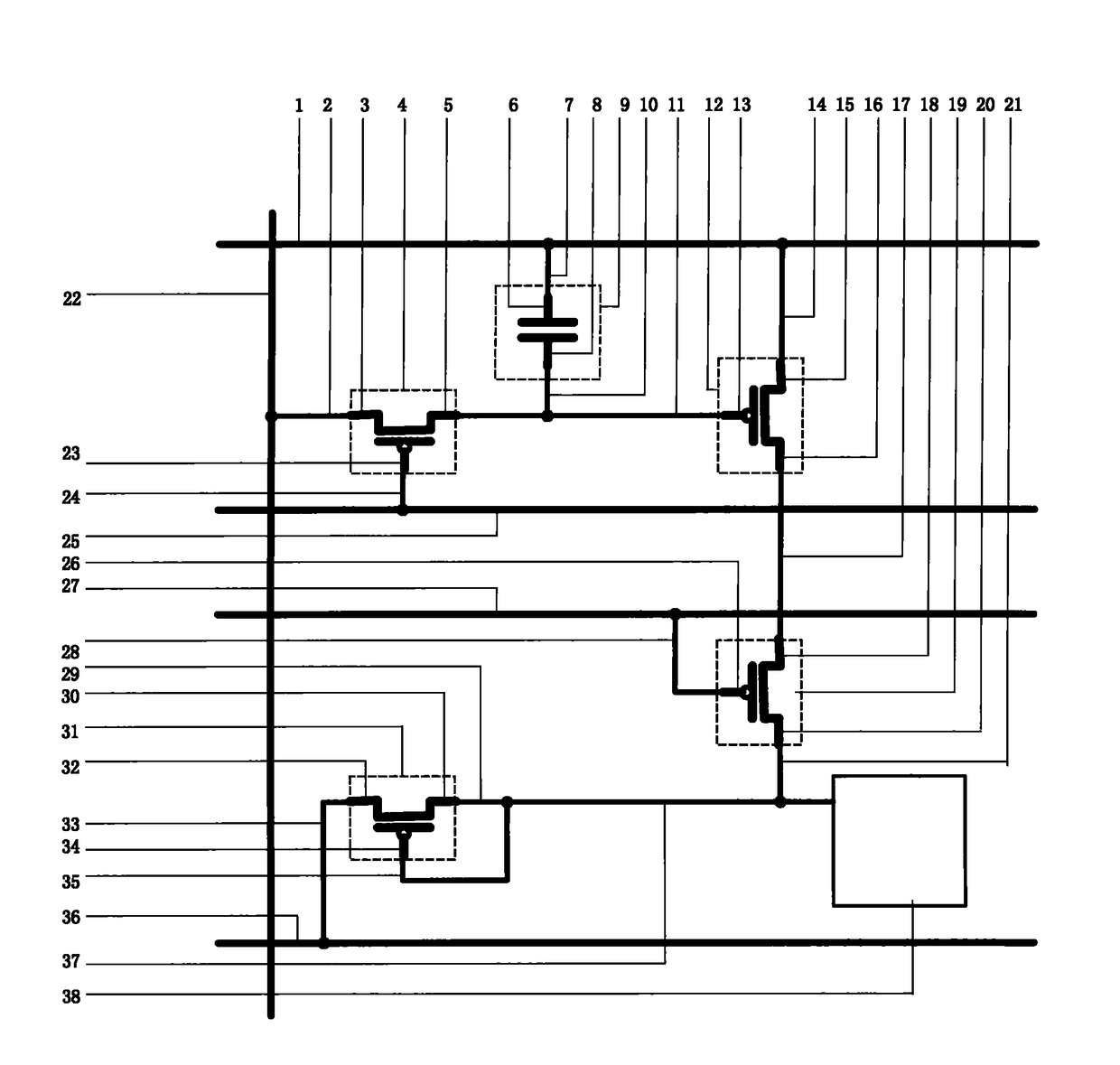
一种硅基OLED显示芯片像素电路结构
授权日
2011-11-30
公开(公告)号
CN202058419U
申请日
2010-12-29
公开(公告)日
2011-11-30
当前申请(专利权)人
广东中显科技有限公司
发明人
郭海成 | 代永平 | 凌代年 | 邱成峰 | 彭华军 | 黄飚
简单同族
CN202058419U
简单同族成员数量
1
简单同族被引用专利总数
0
诉讼案件数
0
法律状态/事件
未缴年费
抱歉,您的浏览器不支持PDF预览,请点击链接下载PDF文件