专利数据库
统计分析
产业报告
专利数据监控
产业人才
行业动态
产业政策法规
维权援助
个人中心
详情
文本
图像
标题
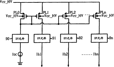
用于驱动有机发光二极管面板的电流镜
授权日
1900-01-01
公开(公告)号
CN101030352A
申请日
2006-03-03
公开(公告)日
2007-09-05
当前申请(专利权)人
奇景光电股份有限公司
发明人
邱郁文 | 卜令楷
简单同族
CN100527203C | CN101030352A
简单同族成员数量
2
简单同族被引用专利总数
0
诉讼案件数
0
法律状态/事件
未缴年费
抱歉,您的浏览器不支持PDF预览,请点击链接下载PDF文件