专利数据库
统计分析
产业报告
专利数据监控
产业人才
行业动态
产业政策法规
维权援助
个人中心
详情
文本
图像
标题
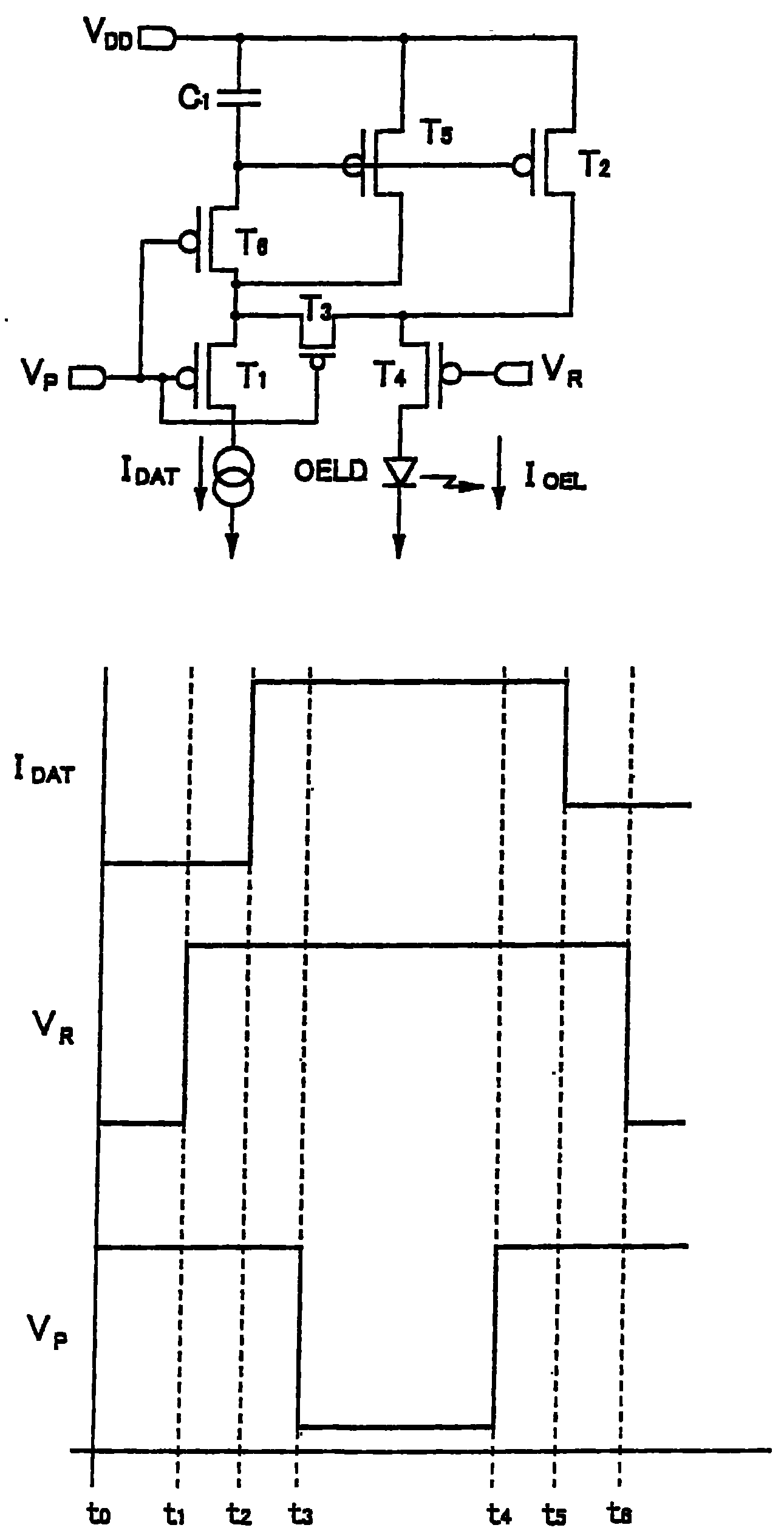
电子电路、场致发光显示装置、电光装置和电子仪器
授权日
2006-12-06
公开(公告)号
CN1288614C
申请日
2003-01-09
公开(公告)日
2006-12-06
当前申请(专利权)人
精工爱普生株式会社
发明人
河西利幸 | S・潭
简单同族
CN1288614C | CN1431642A | GB0200411D0 | GB2384100A | GB2384100B | JP2004145241A | JP3952953B2 | KR100510422B1 | KR1020030060811A | TW200306518A | TWI239497B | US20030142046A1 | US20060208972A1 | US7138968 | US7551151
简单同族成员数量
15
简单同族被引用专利总数
69
诉讼案件数
0
法律状态/事件
未缴年费
抱歉,您的浏览器不支持PDF预览,请点击链接下载PDF文件