专利数据库
统计分析
产业报告
专利数据监控
产业人才
行业动态
产业政策法规
维权援助
个人中心
详情
文本
图像
标题
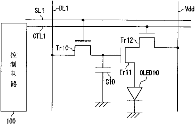
间歇发光显示设备
授权日
1900-01-01
公开(公告)号
CN1428752A
申请日
2002-12-25
公开(公告)日
2003-07-09
当前申请(专利权)人
三洋电机株式会社
发明人
土屋博 | 野口幸宏 | 松本昭一郎
简单同族
CN1428752A | JP2003255899A | KR1020030057441A | US20030142509A1
简单同族成员数量
4
简单同族被引用专利总数
65
诉讼案件数
0
法律状态/事件
撤回
抱歉,您的浏览器不支持PDF预览,请点击链接下载PDF文件