专利数据库
统计分析
产业报告
专利数据监控
产业人才
行业动态
产业政策法规
维权援助
个人中心
详情
文本
图像
标题
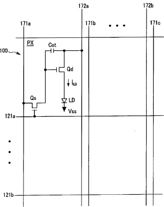
有机发光二极管显示器
授权日
1900-01-01
公开(公告)号
CN1863420A
申请日
2006-05-08
公开(公告)日
2006-11-15
当前申请(专利权)人
三星显示有限公司
发明人
郑光哲 | 朱仁秀
简单同族
CN100544530C | CN1863420A | JP2006313350A | JP2006313350A5 | JP5111779B2 | KR101219036B1 | KR1020060114573A | TW200711196A | TWI396312B | US20060244696A1 | US20100134389A1 | US7683382 | US8158989
简单同族成员数量
13
简单同族被引用专利总数
81
诉讼案件数
0
法律状态/事件
授权 | 权利转移
抱歉,您的浏览器不支持PDF预览,请点击链接下载PDF文件