专利数据库
统计分析
产业报告
专利数据监控
产业人才
行业动态
产业政策法规
维权援助
个人中心
详情
文本
图像
标题
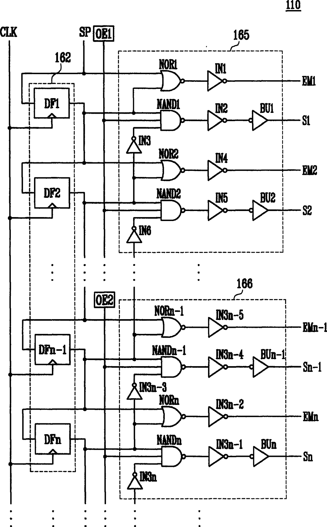
扫描驱动器、有机发光显示器和驱动有机发光显示器的方法
授权日
2011-11-16
公开(公告)号
CN1855200B
申请日
2006-04-04
公开(公告)日
2011-11-16
当前申请(专利权)人
三星显示有限公司
发明人
崔相武
简单同族
CN1855200A | CN1855200B | DE602006014615D1 | EP1717790A2 | EP1717790A3 | EP1717790A8 | EP1717790B1 | JP2006309217A | JP4504939B2 | KR100645700B1 | KR1020060112994A | US20060248421A1 | US8125422
简单同族成员数量
13
简单同族被引用专利总数
75
诉讼案件数
0
法律状态/事件
授权 | 权利转移
抱歉,您的浏览器不支持PDF预览,请点击链接下载PDF文件