专利数据库
统计分析
产业报告
专利数据监控
产业人才
行业动态
产业政策法规
维权援助
个人中心
详情
文本
图像
标题
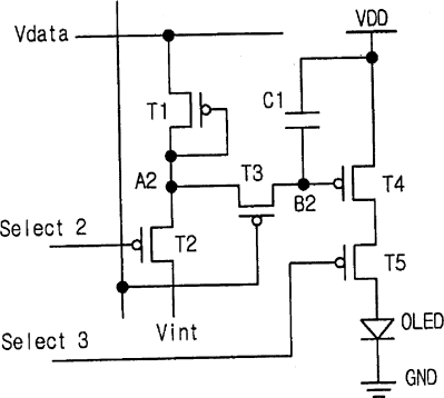
有机发光显示屏
授权日
1900-01-01
公开(公告)号
CN1735293A
申请日
2005-05-25
公开(公告)日
2006-02-15
当前申请(专利权)人
乐金显示有限公司
发明人
许晋
简单同族
CN100558204C | CN1735293A | JP2006053535A | KR101087417B1 | KR1020060014966A | US20060033449A1 | US7411571
简单同族成员数量
7
简单同族被引用专利总数
133
诉讼案件数
0
法律状态/事件
授权
抱歉,您的浏览器不支持PDF预览,请点击链接下载PDF文件