专利数据库
统计分析
产业报告
专利数据监控
产业人才
行业动态
产业政策法规
维权援助
个人中心
详情
文本
图像
标题
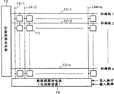
有源矩阵型显示设备,有源矩阵型有机电致发光显示设备,及其驱动方法
授权日
1900-01-01
公开(公告)号
CN1388497A
申请日
2002-05-24
公开(公告)日
2003-01-01
当前申请(专利权)人
索尼株式会社
发明人
汤本昭
简单同族
CN100533531C | CN1388497A | CN1388497B | CN1801297A | JP2002351402A | JP3570394B2 | KR100872728B1 | KR1020020090330A | SG118137A1 | TWI307067B | US20020196211A1 | US7432889
简单同族成员数量
12
简单同族被引用专利总数
50
诉讼案件数
0
法律状态/事件
未缴年费
抱歉,您的浏览器不支持PDF预览,请点击链接下载PDF文件