专利数据库
统计分析
产业报告
专利数据监控
产业人才
行业动态
产业政策法规
维权援助
个人中心
详情
文本
图像
标题
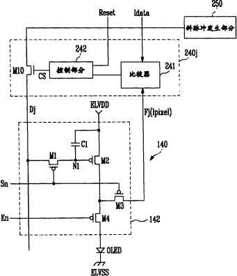
有机发光显示装置及其驱动方法
授权日
1900-01-01
公开(公告)号
CN101030353A
申请日
2007-01-18
公开(公告)日
2007-09-05
当前申请(专利权)人
三星显示有限公司 | 汉阳大学校产业协力团
发明人
权五敬
简单同族
CN101030353A | CN101030353B | EP1826744A2 | EP1826744A3 | JP2007233326A | KR100671669B1 | US20070200804A1 | US7834826
简单同族成员数量
8
简单同族被引用专利总数
64
诉讼案件数
0
法律状态/事件
授权 | 权利转移
抱歉,您的浏览器不支持PDF预览,请点击链接下载PDF文件