专利数据库
统计分析
产业报告
专利数据监控
产业人才
行业动态
产业政策法规
维权援助
个人中心
详情
文本
图像
标题
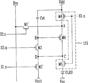
有机发光显示器
授权日
2010-06-02
公开(公告)号
CN1744774B
申请日
2005-08-30
公开(公告)日
2010-06-02
当前申请(专利权)人
三星显示有限公司
发明人
郑镇泰
简单同族
CN1744774A | CN1744774B | JP2006065282A | JP4188930B2 | KR100673759B1 | KR1020060019757A | US20060055336A1 | US7180486
简单同族成员数量
8
简单同族被引用专利总数
168
诉讼案件数
0
法律状态/事件
授权 | 权利转移
抱歉,您的浏览器不支持PDF预览,请点击链接下载PDF文件