专利数据库
统计分析
产业报告
专利数据监控
产业人才
行业动态
产业政策法规
维权援助
个人中心
详情
文本
图像
标题
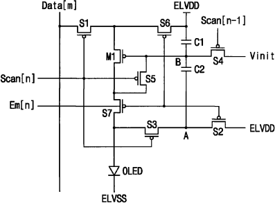
有机发光显示器
授权日
1900-01-01
公开(公告)号
CN101256732A
申请日
2008-02-29
公开(公告)日
2008-09-03
当前申请(专利权)人
三星显示有限公司
发明人
金阳完
简单同族
CN101256732A | CN101256732B | EP1968038A1 | JP2008216962A | JP4680964B2 | KR100865394B1 | KR1020080080712A | US20080211747A1 | US8334825
简单同族成员数量
9
简单同族被引用专利总数
65
诉讼案件数
0
法律状态/事件
授权 | 权利转移
抱歉,您的浏览器不支持PDF预览,请点击链接下载PDF文件