专利数据库
统计分析
产业报告
专利数据监控
产业人才
行业动态
产业政策法规
维权援助
个人中心
详情
文本
图像
标题
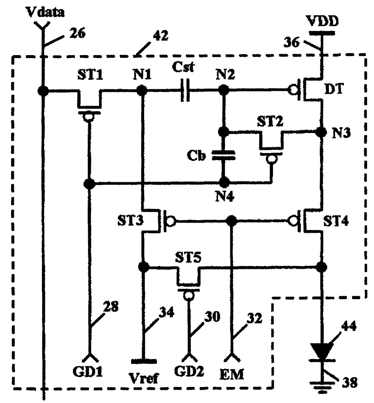
有机发光二极管显示器
授权日
1900-01-01
公开(公告)号
CN102117598A
申请日
2010-12-02
公开(公告)日
2011-07-06
当前申请(专利权)人
乐金显示有限公司
发明人
李浩荣 | 朴南吉
简单同族
CN102117598A | CN102117598B | KR101329964B1 | KR1020110078787A | US20110157135A1 | US8766963
简单同族成员数量
6
简单同族被引用专利总数
58
诉讼案件数
0
法律状态/事件
授权
抱歉,您的浏览器不支持PDF预览,请点击链接下载PDF文件