专利数据库
统计分析
产业报告
专利数据监控
产业人才
行业动态
产业政策法规
维权援助
个人中心
详情
文本
图像
标题
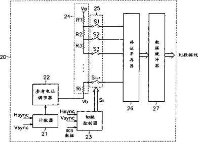
有机场致发光显示装置及其驱动方法
授权日
1900-01-01
公开(公告)号
CN1452151A
申请日
2002-12-12
公开(公告)日
2003-10-29
当前申请(专利权)人
三星显示有限公司
发明人
宋俊英 | 李京洙
简单同族
CN100345176C | CN1452151A | KR100477986B1 | KR1020030081610A | US20030201955A1 | US7432886
简单同族成员数量
6
简单同族被引用专利总数
78
诉讼案件数
0
法律状态/事件
未缴年费 | 权利转移
抱歉,您的浏览器不支持PDF预览,请点击链接下载PDF文件