专利数据库
统计分析
产业报告
专利数据监控
产业人才
行业动态
产业政策法规
维权援助
个人中心
详情
文本
图像
标题
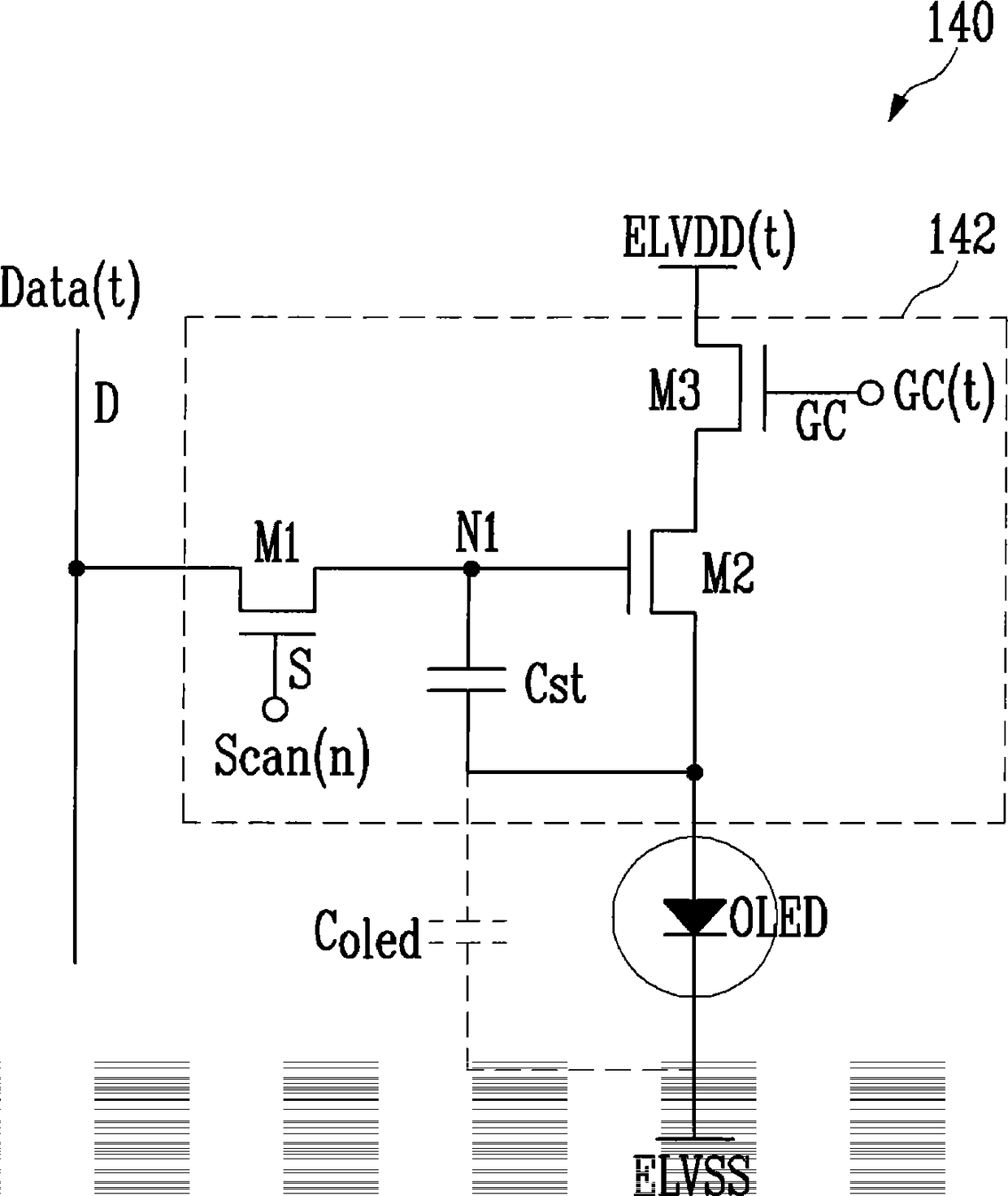
有机发光显示器及其驱动方法
授权日
2014-03-12
公开(公告)号
CN101989404B
申请日
2010-07-08
公开(公告)日
2014-03-12
当前申请(专利权)人
三星显示有限公司
发明人
李白云
简单同族
CN101989404A | CN101989404B | EP2284825A1 | EP2284825B1 | EP3059729A1 | EP3059729B1 | JP2011034038A | KR101056281B1 | KR1020110013692A | TW201108184A | TWI435304B | US20110025586A1 | US20160037156A1 | US9183778 | US9693045
简单同族成员数量
15
简单同族被引用专利总数
90
诉讼案件数
0
法律状态/事件
授权 | 权利转移
抱歉,您的浏览器不支持PDF预览,请点击链接下载PDF文件