专利数据库
统计分析
产业报告
专利数据监控
产业人才
行业动态
产业政策法规
维权援助
个人中心
详情
文本
图像
标题
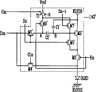
有机发光显示器及其驱动方法
授权日
1900-01-01
公开(公告)号
CN101373578A
申请日
2008-08-22
公开(公告)日
2009-02-25
当前申请(专利权)人
三星显示有限公司 | 汉阳大学校产业协力团
发明人
权五敬
简单同族
CN101373578A | CN101373578B | EP2028639A2 | EP2028639A3 | EP2028639B1 | JP2009053647A | JP4964750B2 | KR100893482B1 | KR1020090020190A | US20090051628A1 | US8558767
简单同族成员数量
11
简单同族被引用专利总数
308
诉讼案件数
0
法律状态/事件
授权 | 权利转移
抱歉,您的浏览器不支持PDF预览,请点击链接下载PDF文件