专利数据库
统计分析
产业报告
专利数据监控
产业人才
行业动态
产业政策法规
维权援助
个人中心
详情
文本
图像
标题
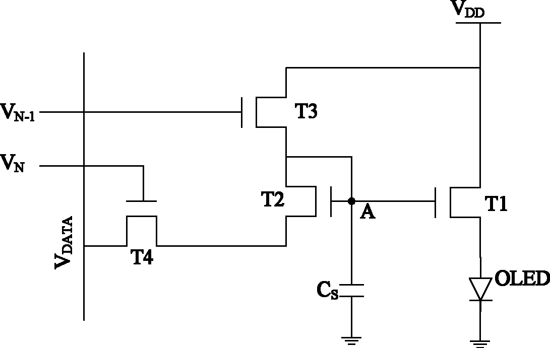
一种像素电路及显示设备
授权日
2013-10-30
公开(公告)号
CN102290027B
申请日
2010-06-21
公开(公告)日
2013-10-30
当前申请(专利权)人
京东方科技集团股份有限公司
发明人
王龙彦 | 张盛东 | 梁逸南 | 廖聪维
简单同族
CN102290027A | CN102290027B
简单同族成员数量
2
简单同族被引用专利总数
51
诉讼案件数
0
法律状态/事件
授权 | 权利转移
抱歉,您的浏览器不支持PDF预览,请点击链接下载PDF文件