专利数据库
统计分析
产业报告
专利数据监控
产业人才
行业动态
产业政策法规
维权援助
个人中心
详情
文本
图像
标题
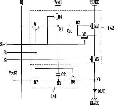
像素、使用该像素的有机发光显示器及其驱动方法
授权日
1900-01-01
公开(公告)号
CN101266757A
申请日
2008-03-14
公开(公告)日
2008-09-17
当前申请(专利权)人
三星显示有限公司
发明人
金阳完
简单同族
CN101266757A | CN101266757B | EP1970885A1 | JP2008225432A | JP4932601B2 | KR100873076B1 | KR1020080084017A | US20080224965A1 | US8111219
简单同族成员数量
9
简单同族被引用专利总数
105
诉讼案件数
0
法律状态/事件
授权 | 权利转移
抱歉,您的浏览器不支持PDF预览,请点击链接下载PDF文件