专利数据库
统计分析
产业报告
专利数据监控
产业人才
行业动态
产业政策法规
维权援助
个人中心
详情
文本
图像
标题
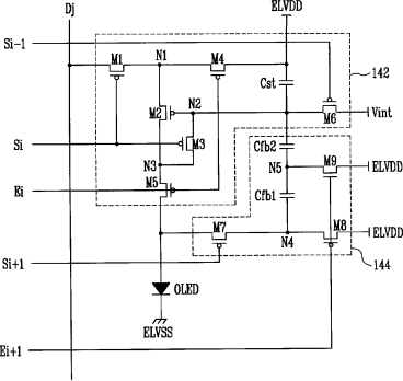
像素、利用该像素的有机发光显示装置及其驱动方法
授权日
1900-01-01
公开(公告)号
CN101286298A
申请日
2008-04-09
公开(公告)日
2008-10-15
当前申请(专利权)人
三星显示有限公司
发明人
金阳完
简单同族
CN101286298A | CN101286298B | EP1981018A1 | EP1981018B1 | JP2008262144A | JP4994958B2 | KR100873078B1 | KR1020080091926A | US20090027310A1 | US8149186
简单同族成员数量
10
简单同族被引用专利总数
116
诉讼案件数
0
法律状态/事件
授权 | 权利转移
抱歉,您的浏览器不支持PDF预览,请点击链接下载PDF文件