专利数据库
统计分析
产业报告
专利数据监控
产业人才
行业动态
产业政策法规
维权援助
个人中心
详情
文本
图像
标题
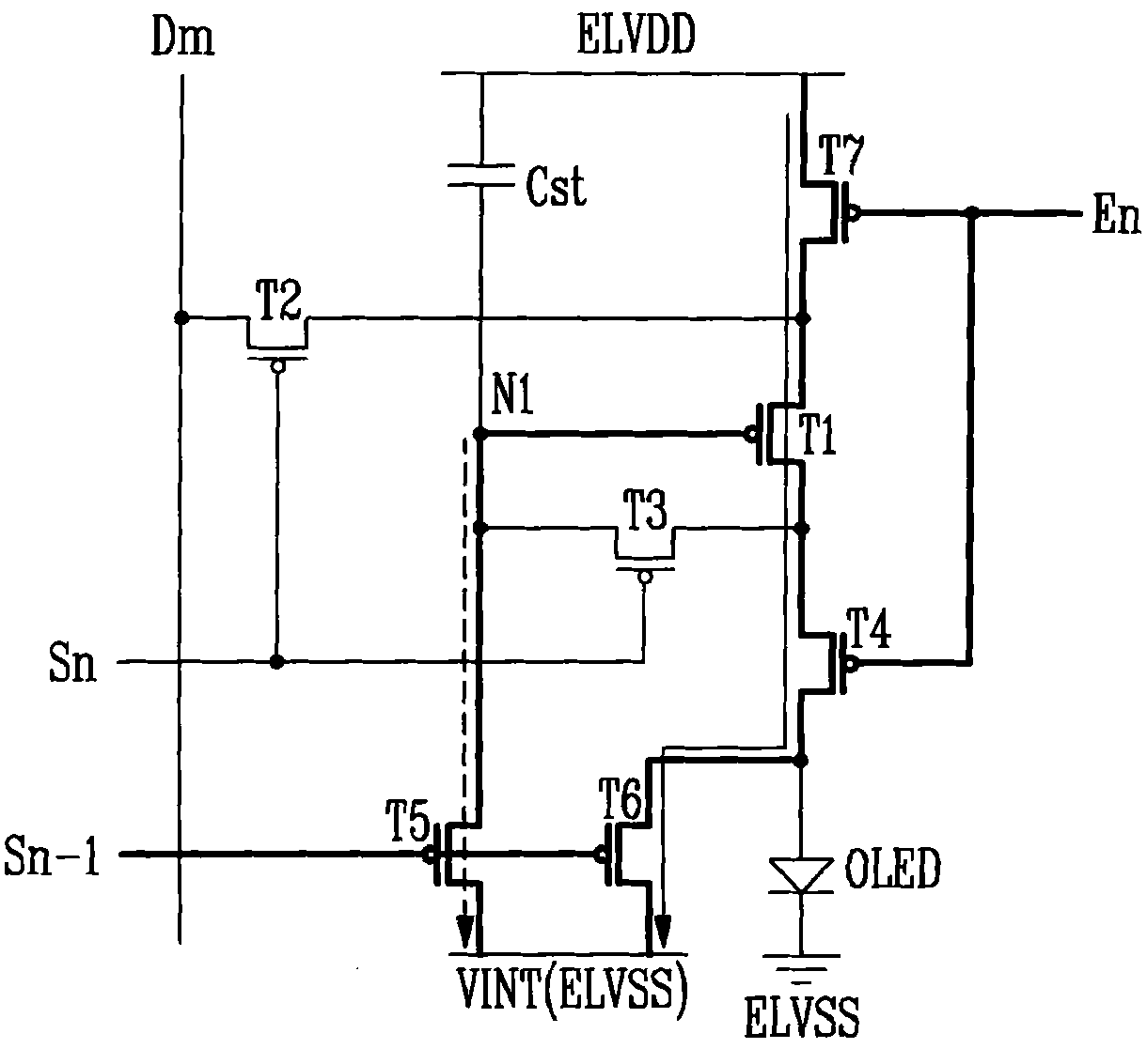
像素和使用该像素的有机发光显示装置
授权日
1900-01-01
公开(公告)号
CN102314829A
申请日
2010-12-22
公开(公告)日
2012-01-11
当前申请(专利权)人
三星显示有限公司
发明人
郑镇泰 | 川岛进吾
简单同族
CN102314829A | CN102314829B | EP2402932A1 | EP2402932B1 | JP2012014136A | JP5612988B2 | KR101152466B1 | KR1020120002070A | TW201201180A | TWI522986B | US20120001893A1 | US8803770
简单同族成员数量
12
简单同族被引用专利总数
169
诉讼案件数
0
法律状态/事件
授权 | 权利转移
抱歉,您的浏览器不支持PDF预览,请点击链接下载PDF文件