专利数据库
统计分析
产业报告
专利数据监控
产业人才
行业动态
产业政策法规
维权援助
个人中心
详情
文本
图像
标题
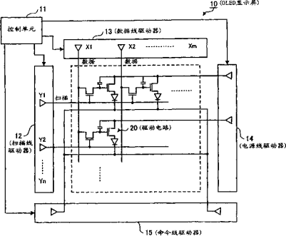
显示装置、发光二极管屏、薄膜晶体管控制装置及方法
授权日
1900-01-01
公开(公告)号
CN1448900A
申请日
2003-03-28
公开(公告)日
2003-10-15
当前申请(专利权)人
统宝光电股份有限公司
发明人
辻村隆俊 | 三和宏一 | 师冈光雄
简单同族
CN1261917C | CN1448900A | JP2003302936A | KR100526267B1 | KR1020030078668A | TW200306509A | TW584824B | US20040001037A1 | US7091940
简单同族成员数量
9
简单同族被引用专利总数
55
诉讼案件数
0
法律状态/事件
未缴年费 | 权利转移
抱歉,您的浏览器不支持PDF预览,请点击链接下载PDF文件