专利数据库
统计分析
产业报告
专利数据监控
产业人才
行业动态
产业政策法规
维权援助
个人中心
详情
文本
图像
标题
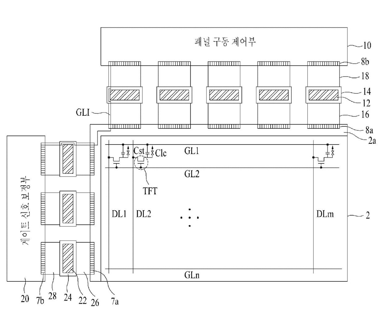
액정패널의 검사장치와 그 검사방법
授权日
1900-01-01
公开(公告)号
KR1020110029527A
申请日
2009-09-15
公开(公告)日
2011-03-23
当前申请(专利权)人
엘지디스플레이 주식회사
发明人
KIM, JU PYOUNG
简单同族
KR1020110029527A
简单同族成员数量
1
简单同族被引用专利总数
0
诉讼案件数
0
法律状态/事件
撤回
抱歉,您的浏览器不支持PDF预览,请点击链接下载PDF文件