专利数据库
统计分析
产业报告
专利数据监控
产业人才
行业动态
产业政策法规
维权援助
个人中心
详情
文本
图像
标题
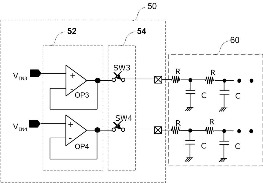
, 그리고 차지 쉐어링을 위한 스위치(CSW)를 모두 배치함으로써, 차지 쉐어
授权日
1900-01-01
公开(公告)号
KR1020070083082A
申请日
2006-02-20
公开(公告)日
2007-08-23
当前申请(专利权)人
엘지전자 주식회사
发明人
장근진 | 최진호 | 김상석 | 노상훈
简单同族
KR1020070083082A
简单同族成员数量
1
简单同族被引用专利总数
0
诉讼案件数
0
法律状态/事件
放弃
抱歉,您的浏览器不支持PDF预览,请点击链接下载PDF文件